устройство, принцип действия, виды и особенности выбора
Долговечность оборудования во многом зависит от перегрузок, которым оно подвергается в процессе эксплуатации. Протекание токов, превышающих номинальные, вызывает дополнительное повышение температуры и преждевременное старение изоляции. Чем выше перегрузки, тем реже они допустимы. Тепловые реле – это специальные устройства, которые отключают потребляющее электроэнергию оборудование при перегрузках. Они предотвращают поломку электромоторов из-за превышения нагрузки по показателям рабочего тока. Любой двигатель имеет свой номинальный рабочий ток, длительное критическое превышение которого вызывает перегрев обмоток силовой установки, разрушает изоляционный слой и приводит к выходу из строя электромотора в целом.
Конструкция и принцип работы реле тепловой защиты
В основе работы тепловых реле лежит закон физики, сформулированный учеными Джоулем и Ленцем еще в 19 веке и определяющий зависимость выделенного тепла от силы тока на конкретных участках электрической цепи.
В составе конструкции устройств этого типа предусмотрена спираль – излучатель тепла. Рядом с ней установлена биметаллическая пластина, которая реагирует на излучаемое тепло.
Для изготовления термопластин используют два металлических сплава с различной теплопроводностью, которые во время нагревания/охлаждения меняют свою геометрию. Это свойство биметаллических элементов и лежит в основе работы реле тепловой защиты. Увеличение либо уменьшение тока нагрузки приводит к изменению пространственного расположения и механическому воздействию на толкатель, который размыкает или замыкает контактную группу прибора, подключенную к обмоткам магнитного пускателя (МП). Пускатель мотора срабатывает и отключает нагрузки от электросети.
Стандартная конструкция теплового реле предусматривает:
- нагревательный элемент;
- рычаг;
- контакты с пружиной;
- кнопку «возврат»;
- толкатель реле;
- штангу расцепителя;
- биметаллическую пластину температурного компенсатора;
- движок уставки;
- эксцентрик.

На работу реле тепловой защиты с биметаллическими пластинами воздействует температура окружающего воздуха, которая дополнительно нагревает рабочие элементы конструкции прибора. Чтобы исключить это явление, устройства оснащаются компенсирующими биметаллическими пластинами, которые изгибаются в противоположную сторону по отношению к основным элементам.
Компенсатор регулирует ток срабатывания устройства. Для регулировки применяются эксцентрики с разделенной на две части шкалой. При повороте ручки компенсатора влево значение тока срабатывания уменьшается, а при повороте вправо – увеличивается. Значения тока срабатывания реле регулируют увеличением/уменьшением зазора между толкателем и главной пластиной, за счет действия эксцентрика на дополнительную биметаллическую пластину.
Важно! В случае обрыва либо отключения одной из фаз питания в трехфазной сети, токи нагрузки в оставшихся двух фазах увеличиваются, в результате чего срабатывает тепловое реле. Поэтому расцепитель является основной защитой электродвигателей от работы в аварийных ситуациях при оборванной фазе.
Виды реле защиты от тепловых перегрузок
На рынке электротехнического оборудования представлен большой выбор модулей тепловой защиты для электрических силовых агрегатов. Каждый тип устройства подбирается для конкретной ситуации и определенного типа силовых установок.
Основные разновидности тепловых реле:
- РТЛ. Серия электромеханических приборов, которые обеспечивают надежную тепловую защиту трехфазных электродвигателей и других силовых установок от критической перегрузки по токам потребления. Помимо этого, реле этого типа защищают электроустановки при нарушении баланса питающих фаз, отсрочке по времени пуска устройств, а также при наличии механических проблем с ротором: заклинивании вала и других неисправностей. Прибор монтируют на контактах ПМЛ (пускателя магнитного) или в качестве самостоятельного элемента с клеммником КРЛ.
- РТТ. Трехфазные устройства, предназначенные для защиты электродвигателей с короткозамкнутым ротором от токовой перегрузки, перекоса между питающими фазами и в случае механических повреждениях ротора, а также от задержки пускового момента.
РТТ имеют два варианта установки: как самостоятельное реле на панели или совместно с магнитными пускателями типа ПМЕ и ПМА. - РТИ. Трехфазная разновидность теплового реле, которое защищает электродвигатель от тепловых повреждений обмотки в случае критического превышения значений тока потребления, от асимметрии питающих фаз, задержки пускового момента и в случае механических повреждений движущихся частей ротора. Реле устанавливается на магнитные контакторы КМТ или КМИ.
- ТРН. Двухфазные устройства электротепловой защиты электрических двигателей, обеспечивающие контроль продолжительности пуска и тока в нормальных рабочих режимах. Контакты возвращаются в исходное состояние после аварийного срабатывания только вручную. Работа теплового устройства абсолютно не зависит от температуры окружающей среды, что актуально для применения в условиях горячих производств и жаркого климата.
- РТК. Тепловые реле, с помощью которых можно контролировать лишь один параметр – температуру металлического корпуса электрических установок.
Для этого используются специальные щупы. Если критические значения температуры превышают заданные, реле типа РТК отключает установку от линии питания. - Твердотельные. Вид тепловых реле, в конструкции которых отсутствуют какие-либо подвижные элементы. Работа устройства не зависит от температуры окружающей среды и других характеристик воздуха, что актуально для взрывоопасных цехов и производств химической промышленности. Твердотельные тепловые реле позволяют контролировать длительность разгона электромоторов, оптимальные токи нагрузки, обрывы фазных проводов и заклинивание ротора.
- РТЭ. Защитные тепловые реле, которые по своему принципу работы напоминают плавкие предохранители. Устройства изготовлены из металлического сплава с низкой температурой плавления. Материал плавится при критической температуре и разрывает цепь, питающую оборудование. Устройства типа РТЭ монтируются непосредственно в корпусы электросиловых установок на штатное место.
Все перечисленные выше разновидности тепловых реле служат для одной цели – они защищают электродвигатели и другие силовые электроустановки от токовых перегрузок, при которых увеличивается температура рабочих частей агрегатов до критических и субкритических значений.
| Технические характеристики тепловых реле: | |||||
| Номинальное напряжение переменного тока, В | 660 | ||||
| Частота переменного тока, Гц | 50 (60) | ||||
| Время срабатывания при токе 1,2 Iном, мин | 20 | ||||
| Время ручного возврата, мин, не менее | 1,5 | ||||
| Время срабатывания при нагрузке 6-кратным Iном, с | РТЛ-1000 | 4,5 … 9,0 | |||
| РТЛ-2000 | 4,5 … 12,0 | ||||
| Термическая стойкость реле, с, при нагрузке 18-кратным Iном на ток: | до 10А | 0,5 | |||
| свыше 10А | 1,0 | ||||
| Тип реле | Диапазон регулирова-ния номинального тока несрабатывания, А | Мощность, потребляемая одним полюсом реле, Вт | Тип реле | Диапазон регулирова-ния номинального тока несрабатывания, А | Мощность, потребляемая одним полюсом реле, Вт |
| Номинальный ток 25А | |||||
| РТЛ-1001 | 0,10 . .. 0,17 | 2,05 | РТЛ-1008 | 2,40 … 4,00 | 1,87 |
| РТЛ-1002 | 0,16 … 0,26 | 2,03 | РТЛ-1010 | 3,80 … 6,00 | 1,84 |
| РТЛ-1003 | 0,24 … 0,40 | 1,97 | РТЛ-1012 | 5,50 … 8,00 | 1,68 |
| РТЛ-1004 | 0,38 … 0,65 | 1,99 | РТЛ-1014 | 7,00 … 10,0 | 1,75 |
| РТЛ-1005 | 0,61 … 1,00 | 1,8 | РТЛ-1016 | 9,50 … 14,0 | 2,5 |
| РТЛ-1006 | 0,95 … 1,6 | 1,8 | РТЛ-1021 | 13,0 … 19,0 | 2,75 |
| РТЛ-1007 | 1,50 … 2,60 | 1,8 | РТЛ-1022 | 18,0 . .. 25,0 | 2,8 |
| Номинальный ток 80А | |||||
| РТЛ-2053 | 23 … 32 | 2,43 | РТЛ-2059 | 47 … 64 | 3,69 |
| РТЛ-2055 | 30 … 41 | 3,03 | РТЛ-2061 | 54 … 74 | 4,38 |
| РТЛ-2057 | 38 … 52 | 3,3 | РТЛ-2063 | 63 … 86 | 5,62 |
Как выбрать устройство тепловой защиты
Для правильного выбора подходящей модели теплового реле следует учитывать мощность защищаемого электромотора. Основными параметрами защитных устройств являются:
- Номинальный ток, при котором тепловое реле не срабатывает. Его превышение не вызывает незамедлительного отключения цепи. К примеру, если значение больше номинального на 20 %, то тепловое реле сработает примерно через 20-30 минут.

- Номинальное напряжение. Как правило, бытовые модели тепловых реле устанавливаются в однофазных сетях переменного тока (220 вольт и 50 Гц), однако существуют и трехфазные модели для промышленных предприятий.
- Условия эксплуатации. Категория размещения тепловых реле определяется согласно требованиям ГОСТ 15150. В стандарте описаны допустимые значения температуры и уровень влажности, а также устойчивость приборов к вибрации, ударным нагрузкам, контакту со взрывоопасными газами.
- Предел срабатывания теплового реле.
- Тип и количество дополнительных контактов для управления.
- Чувствительность к перекосу фаз.
Также в маркировке теплового реле обязательно указывается режим возврата (автоматический или ручной).
В некоторых моделях предусмотрена функция «недогрузки», которая позволяет обнаруживать уменьшение тока в цепи, а также опция компенсации температуры окружающей среды – такие модификации считаются самыми удобными и надежными.
Кроме того, выпускаются тепловые реле с дополнительными световыми индикаторами. Датчики и светодиоды отображают сигналы включения и состояния.
Поэтому выбор конкретной модели зависит от многих факторов эксплуатации теплового реле – температуры окружающей среды, места установки, мощности подключенного оборудования, необходимости использования средств аварийного оповещения.
Советы по выбору:
- Для однофазных сетей лучше выбирать тепловые реле с функцией автоматического сбрасывания и возврата контакта в первоначальное состояние через определенный период времени. Это гарантирует повторное срабатывание даже при сохранении аварийной ситуации и перегрузок по току.
- Для горячих цехов и эксплуатации в условиях жаркого климата подойдут реле с компенсатором температуры воздушной среды – это модели ТРВ. Они обладают самым широким температурным диапазоном эксплуатации.
- Для оборудования, чувствительного к обрыву фаз, рекомендуется подбирать реле, которое отключает электроустановку даже при обрыве одной фазы.

Реле со световыми индикаторами чаще всего используют на предприятиях промышленности, где требуется оперативное реагирование на аварийные ситуации. Благодаря светодиодным датчикам состояния, оператор может контролировать рабочие процессы.
Цена реле зависит от многих факторов. На стоимость влияют общие технические характеристики, наличие дополнительных функций, используемые в производстве материалы, фирма-производитель. Реле от известных брендов обязательно комплектуются паспортом с подробным описанием технических параметров, а также подробной инструкцией по подключению.
Особенности установки теплового реле
Обычно реле монтируется совместно с магнитным пускателем, обеспечивающим подключение и запуск двигателя. Некоторые модели устанавливаются в качестве самостоятельных приборов на DIN-рейку или на монтажные панели (ТРН или РТТ). Даже если реле ТРН имеет лишь пару входящих подключений, фаз все равно 3. Отключенные фазные провода выводятся с пускателя к мотору в обход устройства.
Изменения тока будут происходить пропорционально в каждой фазе, в результате чего достаточно контроля только двух из них. Реле можно подключать и при помощи токовых трансформаторов – это целесообразно при использовании мощных электромоторов.
В любом случае необходимо избегать ошибок при монтаже, к примеру, нельзя подключать тепловое реле с параметрами, которые не соответствуют характеристикам электромотора.
Преимущества перед обычными автоматами
По своей конструкции тепловое реле является тем же устройством автоматического отключения электроустановок от сети питания. Однако в отличие от простых автоматов, которые включают/отключают питание, у реле есть два достоинства:
- Возможность регулировать время и момент срабатывания в зависимости от токов перегрузки и продолжительности их воздействия на электроприборы.

- Различные варианты коммутации – дистанционная установка в электрощитке либо непосредственный монтаж на магнитном пускателе.
Кроме того, реле обладают меньшими габаритами и массой, более доступной ценой, простой конструкцией и надежностью эксплуатации. Среди недостатков – необходимость периодической настройки и проверки.
Заключение
Тепловые реле (расцепители) – важные элементы системы защиты электродвигателей и других приборов. Устройства защищают практически от любых перегрузок. К тому же реле не подвержены ложным отключениям нагрузки в случае кратковременных скачков тока, что выгодно отличает их от входных автоматов. Их можно устанавливать не только совместно с магнитными пускателями, но и самостоятельно.
ГОСТ 2.756-76 ЕСКД. Обозначения условные графические в схемах. Воспринимающая часть электромеханических устройств
ГОСУДАРСТВЕННЫЕ СТАНДАРТЫ
Единая система конструкторской документации
ОБОЗНАЧЕНИЯ УСЛОВНЫЕ ГРАФИЧЕСКИЕ В СХЕМАХ
ВОСПРИНИМАЮЩАЯ ЧАСТЬ ЭЛЕКТРОМЕХАНИЧЕСКИХ УСТРОЙСТВ
ГОСТ 2.
756-76
(CT СЭВ 712-77)
ИПК ИЗДАТЕЛЬСТВО СТАНДАРТОВ
Москва 1998
ГОСУДАРСТВЕННЫЙ СТАНДАРТ СОЮЗА ССР
|
Единая система конструкторской документации
ОБОЗНАЧЕНИЯ УСЛОВНЫЕ ГРАФИЧЕСКИЕ В СХЕМАХ.
Unified system for design documentation.
|
ГОСТ
(CT СЭВ 712-77)
Взамен
|
Постановлением Государственного комитета стандартов Совета
Министров СССР от 28 июля 1976 г.
№ 1824 срок введения установлен
с
01.01.78
* Переиздание
(октябрь 1997 г.) с Изменением №1, утвержденным в июле 1980 г. (ИУС 11-80)
** В части п. 9 (обозначения обмоток реле, контакторов и
магнитных пускателей).
*** В части подпункта 7 табл. 1 (обозначения обмотки электромагнита
искателя).
*4 В части подпунктов 22, 23 таблицы
(обозначения обмотки реле, контактора, магнитного пускателя, электромагнита,
обмотки электромагнита искателя).
*5 Обозначения исполнительных
частей (контактов) электромеханических устройств установлены в ГОСТ
2.755-87.
1. Настоящий
стандарт устанавливает условные графические обозначения воспринимающих частей
электромеханических устройств (электрических реле, у которых связь
воспринимающей части с исполнительной осуществляется механически, а также
магнитных пускателей, контакторов и электромагнитов) в схемах*5,
выполняемых вручную или автоматизированным способом, изделий всех отраслей
промышленности.
Стандарт
соответствует CT СЭВ 712-77.
(Измененная редакция, Изм. № 1).
2. Обозначения
воспринимающих частей электромеханических устройств должны соответствовать
приведенным в табл. 1.
3. Размеры
условных графических обозначений должны соответствовать приведенным в табл. 2.
Таблица 1
|
Наименование
|
Обозначение
|
|
1. Катушка электромеханического устройства. Общее обозначение
Примечание. Выводы катушки
|
|
|
2.
Примечание. Наклонную линию
|
|
|
3. Катушка электромеханического устройства с двумя
Примечание. Допускается применять
|
|
|
4. Катушка электромеханического устройства с п обмотками
|
|
|
Примечания к подпунктам 2-4:
|
|
|
1.
|
|
|
2. Если катушку электромеханического устройства с несколькими
|
|
|
катушка с двумя обмотками
|
|
|
катушка с n обмотками
|
|
|
5. Катушка электромеханического устройства с двумя
|
|
|
6.
|
|
|
7. Катушка электромеханического устройства с одним
|
|
|
Примечание. Допускается применять следующее обозначение
|
|
|
8. Катушка электромеханического устройства трехфазного
|
|
|
9. Катушка электромеханического устройства с
|
|
|
с одним дополнительным графическим полем
|
|
|
с двумя дополнительными графическими полями
|
|
|
Примечания:
|
|
|
1.
|
|
|
2. В дополнительном графическом поле указывают уточняющие
|
|
|
10. Катушка электромеханического устройства с указанием
|
|
|
обмотка напряжения
|
|
|
обмотка максимального тока
|
|
|
обмотка минимального напряжения
|
|
|
Примечание к подпунктам 9, 10.
|
|
|
11. Катушка поляризованного электромеханического
|
|
|
Примечание. Допускается применять
|
|
|
12. Катушка электромеханического устройства, обладающая
|
|
|
13.
|
|
|
14. Катушка электромеханического устройства, работающего
|
|
|
15. Катушка электромеханического устройства, работающего
|
|
|
16. Катушка электромеханического устройства, работающего
|
|
|
17. Катушка электромеханического устройства, работающего
|
|
|
18.
|
|
|
Примечание
|
|
|
19. Катушка электромеханического устройства, нечувствительного
|
|
|
20. Катушка электромеханического устройства, работающего
|
|
|
Примечание.
|
|
|
21. Воспринимающая часть электротеплового реле
|
|
Таблица 2
|
Наименование
|
Обозначение
|
|
1. Катушка электромеханического устройства
|
|
|
2. Катушка электромеханического устройства с одной
|
|
|
3.
|
|
|
4. Катушка электромеханического устройства с одним
|
|
|
5. Катушка электромеханического устройства:
|
|
|
с одним дополнительным графическим полем
|
|
|
с двумя дополнительными графическими полями
|
|
|
6.
|
|
6. Реле и соединители — Условные графические обозначения на электрических схемах — Компоненты — Инструкции
Наряду с выключателями и переключателями в радиоэлектронной технике для дистанционного управления и различных развязок широко применяют электромагнитные реле (от французского слова relais). Электромагнитное реле состоит из электромагнита и одной или нескольких контактных групп. Символы этих обязательных элементов конструкции реле и образуют его условное графическое обозначение [4].
Электромагнит (точнее, его обмотку) изображают на схемах в виде прямоугольника с присоединенными к нему линиями электрической связи, символизирующими выводы. Условное графическое обозначение контактов располагают напротив одной из узких сторон символа обмотки и соединяют с ним линией механической связи (пунктирной линией).
Буквенный код реле — буква K (K1 на рис.6.1)
Выводы обмотки для удобства допускается изображать с одной стороны (см. рис. 6.1, К2), а символы контактов — в разных частях схемы (рядом с УГО коммутируемых элементов). В этом случае принадлежность контактов тому или иному реле указывают обычным образом в позиционном обозначении условным номером контактной группы (К2.1, К2.2, K2.3).
Внутри условного графического обозначения обмотки стандарт допускает указывать ее параметры (см. рис. 6.1, КЗ) или конструктивные особенности. Например, две наклонные линии в символе обмотки реле К4 означают, что она состоит из двух обмоток.
Поляризованные реле (они обычно управляются изменением направления тока в одной или двух обмотках) выделяют на схемах латинской буквой Р, вписываемой в дополнительное графическое поле УГО и двумя жирными точками (см. рис. 6.1, К5). Эти точки возле одного из выводов обмотки и одного из контактов такого реле означают следующее: контакт, отмеченный точкой, замыкается при подаче напряжения, положительный полюс которого приложен к выделенному таким же образом выводу обмотки.
Если необходимо показать, что контакты поляризованного реле остаются замкнутыми и после снятия управляющего напряжения, поступают так же, как и в случае с кнопочными переключателями (см. разд. 5): на символе замыкающего (или размыкающего) контакта изображают небольшой кружок. Существуют так же реле, в которых магнитное поле, создаваемое управляющим током обмотки, воздействует непосредственно на чувствительные к нему (магнитоуправляемые) контакты, заключенные в герметичный корпус (отсюда и название геркон — ГЕРметизированный КОНтакт). Чтобы отличить контакты геркона от других коммутационных изделий в его УГО иногда вводят символ герметичного корпуса — окружность. Принадлежность к конкретному реле указывают в позиционном обозначении (см. рис. 6.1, К6.1). Если же геркон не является частью реле, а управляется постоянным магнитом, его обозначают кодом автоматического выключателя — буквами SF (рис. 6.1, SF1).
Большую группу коммутационных изделий образуют всевозможные соединители.
Наиболее широко используют разъемные соединители (штепсельные разъемы, см. рис. 6.2). Код разъемного соединителя — латинская буква X. При изображении штырей и гнезд в разных частях схемы в позиционное обозначение первых вводят букву Р (см. рис. 6.2, ХР1), вторых — S (XS1).
Высокочастотные (коаксиальные) соединители и их части обозначают буквами XW (см. рис. 6.2, соединитель XW1, гнезда XW2, ХW3). Отличительный признак высокочастотного соединителя — окружность с отрезком касательной линии, параллельной линии электрической связи и направленной в сторону соединения (XW1). Если же с другими элементами устройства штырь или гнездо’ соединены коаксиальным кабелем, касательную продляют и в другую сторону (XW2, XW3). Соединение корпуса соединителя и оплетки коаксиального кабеля с общим проводом (корпусом) устройства показывают присоединением к касательной (без точки!) линии электрической связи со знаком корпуса на конце (XW3).
Разборные соединения (с помощью винта или шпильки с гайкой и т.
п.) обозначают на схемах буквами XT, а изображают — небольшим кружком (см. рис. 6.2; ХТ1, ХТ2, диаметр окружности — 2 мм). Это же условное графическое обозначение используют и в том случае, если необходимо показать контрольную точку.
Передача сигналов на подвижные узлы механизмов часто осуществляется с помощью соединения, состоящего из подвижного контакта (его изображают в виде стрелки) и токопроводящей поверхности, по которой он скользит. Если эта поверхность линейная, ее показывают отрезком прямой линии с выводом в виде ответвления у одного из концов (см. рис. 6.2, X1), а если кольцевая или цилиндрическая — окружностью {X2).
Принадлежность штырей или гнезд к одному многоконтактному соединителю показывают на схемах линией механической связи и нумерацией в соответствии с нумерацией на самих соединителях (рис. 6.3, XS1, ХР1). При изображении разнесенным способом условное буквенно-цифровое позиционное обозначение контакта составляют из обозначения, присвоенного соответствующей части соединителя и его номера (XS1.
1 — первое гнездо розетки XS1; ХР5,4 — четвертый штырь вилки ХР6 и т. д.).
Для упрощения графических работ стандарт допускает заменять условное графическое обозначение контактов розеток и вилок многоконтактных соединителей небольшими пронумерованными прямоугольниками с соответствующими символами (гнезда или штыря) над ними (см. рис. 6.3, XS2, ХР2). Расположение контактов в символах разъемных соединителей может быть любым — здесь все определяется начертанием схемы; неиспользуемые контакты на схемах обычно не показывают.
Аналогично строятся условные графические обозначения многоконтактных разъемных соединителей, изображаемых в состыкованном виде (рис. 6.4). На схемах разъемные соединители в таком виде независимо от числа контактов обозначают одной буквой X (исключение — высокочастотные соединители). В целях еще большего упрощения графики стандарт допускает обозначать многоконтактный соединитель одним прямоугольником с соответствующими числом линий электрической связи и нумерацией (см.
рис. 6.4, X4).
Для коммутации редко переключаемых цепей (делителей напряжения с подборными элементами, первичных обмоток трансформаторов сетевого питания и т. п.) в электронных устройствах применяют перемычки и вставки. Перемычку, предназначенную для замыкания или размыкания цепи, обозначают отрезком линии электрической связи с символами разъемного соединения на концах (рис. 6.5, X1), для переключения — П-образной скобой (X3). Наличие на перемычке контрольного гнезда (или штыря) показывают соответствующим символом {X2).
При обозначении вставок-переключателей, обеспечивающих более сложную коммутацию, используют способ для изображения переключателей. Например, вставка на рис. 6.5, состоящая из розетки XS1 и вилки XP1, работает следующим образом: в положении 1 замыкатели вилки соединяют гнезда 1 и 2, 3 и 4, в положении 2 — гнезда 2 и 3, 1 и 4, в положении 3 — гнезда 2 и 4. 1 и 3.
Всё о тепловых реле, расчет и выбор теплового реле для защиты двигателя
Всё о тепловых реле, расчет и выбор теплового реле для защиты двигателя
Тепловое реле — реле, которое реагирует на изменение тепловых величин (температуры, теплового потока и т.
п.).
Тепловое реле выполняет функцию защиты от затяжных перегрузок, их работа похожа на работу теплового разъединителя в автоматических выключателей. В зависимости от величины перегрузки (отклонению от номинального режима – I/Iн) оно срабатывает через соответствующий промежуток времени, который можно вычислить по время-токовой характеристике теплового реле. Давайте подробно рассмотрим, что такое тепловое реле и как его правильно выбрать.
Назначение и принцип работы
При перегрузке электродвигателей повышается потребляемый ток, соответственно увеличивается его нагрев. Если двигатель перегревается – нарушается целостность изоляции обмоток, быстрее изнашиваются подшипники, они могут заклинить. При этом тепловой расцепитель автомата может и не защитить оборудование. Для этого нужно тепловое реле.
Перегрузки могут возникать из-за перекоса фаз, затрудненного движения ротора, вследствие как повышенной механической нагрузки, так и проблем с подшипниками, при полном заклинивании вала двигателя и исполнительных механизмах.
Тепловое реле реагирует на возросший ток, и в зависимости от его величины разорвет цепь питания через какое-то время, тем самым сохранив обмотки двигателя целыми. После последующего устранения неисправности, при условии исправности статора, двигатель может продолжить работу.
Если реле сработало по неизвестным причинам, и осмотр показал, что всё в порядке, вы можете вернуть контакты реле в исходное состояние, для этого на нем есть кнопка.
Реле может сработать и в случае затяжного пуска электродвигателя. При этом в обмотках протекают повышенные значения токов. Затяжной пуск – процесс, когда двигатель долго выходит на номинальные обороты. Может произойти из-за перегрузки на валу, либо из-за низкого напряжения в питающей сети.
Время, через которое сработает реле, определяется по время-токовой характеристики конкретного реле, в общем виде она выглядит так:
По вертикальной оси расположено время в секундах, через которое контакты разорвут цепь, а по горизонтальной – во сколько раз фактический ток превышает номинальный.
Здесь мы видим, что при номинальном токе реле время работы реле стремится к бесконечности, при перегрузке уже в 1.2 раза оно разомкнется примерно за 5000 секунд, при перегрузке по току в 2 раза – за 500 секунд, при перегрузке в 5-8 раз реле сработает за 10 секунд.
Такая защита исключает постоянные отключения двигателя при кратковременных перегрузках и рывках, но спасают оборудование при длительном выходе за пределы допустимых режимов.
Принцип работы
В реле есть пара биметаллических пластин с разным температурным коэффициентом расширения. Пластины жестко соединены друг с другом, если их нагреть, то конструкция изогнется в сторону участка с меньшим температурным коэффициентом расширения.
Греются пластины за счет протекания тока нагрузки или от нагревателя, через который проходит ток нагрузки, на схеме изображено в виде нескольких витков вокруг биметалла. Протекающий ток нагревает пластину до определенного предела. Чем выше ток, тем быстрее нагрев.
Стоит учитывать, что если реле находится в жарком помещении – нужно выставлять ток срабатывания с большим запасом, ведь происходит дополнительный нагрев от окружающей среды. К тому же, если реле только что сработало – контактам нужно некоторое время, чтобы остыть. Иначе может произойти повторное ложное срабатывание.
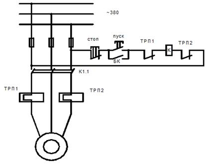
Давайте рассмотрим конкретный пример. Выше вы видите устройство реле ТРН. Оно является двухфазным. Состоит из трёх ячеек, в крайних нагревательные элементы, посередине температурный компенсатор, регулятор тока срабатывания, расцепитель, размыкающий контакт, рычаг возврата.
Когда ток протекает через нагревательный элемент (1), его температура растёт, когда ток достигает установленного тока перегрузки биметаллическая пластина(2) деформируется. Толкатель (10) перемещается вправо и толкает пластину температурного компенсатора (3). Когда ток перегрузки достигнут, она выгибается вправо и выводит из зацепления защелку (7). Штанга расцепителя (6) поднимается вверх и контакты (8) размыкаются.
Виды тепловых реле
Тепловые реле могут подключаться на все три фазы или на две из трёх, в зависимости от конструкции. Большинство реле конструктивно разработаны для соответствия определенным магнитным пускателям, это нужно для удобства и аккуратности монтажа. Рассмотрим некоторые из них.
РТЛ – подходит для использования с пускателями типа ПМЛ. С набором клемм КРЛ используется как самостоятельный прибор защиты.
РТТ – подходит для монтажа с пускателями ПМЕ и ПМА. Также может использоваться как самостоятельное, если его смонтировать на специальную панель.
РТИ – тепловые реле для пускателей КМИ и КМТ. На лицевой вы можете видеть пару дополнительных блок-контактов, для реализации схем индикации и прочего.
ТРН – двухфазное тепловое реле. Устанавливается в трёхфазных двигателях, при этом подключается в разрыв двух фаз. Температура окружающей среды не влияет на его работу. На регуляторе тока есть 10 делений 5 на уменьшение, 5 на увеличение, цена одного деления – 5%.
На самом деле тепловых реле существует великое множество, но все они выполняют одну функцию.
Реле очень часто монтируют в специальный железный ящик. На фото пускатель ПМА 4-й величина на 63 Ампера, с трёхфазным тепловым реле.
К современным пускателям тепловое реле подключается так как изображено на фото ниже, получается цельная конструкция.
Красная кнопка «test» нужна для пробного отключения реле, и проверки возможности размыкания контактов.
Такой способ подключения позволяет экономить место на дин рейке.
Схема подключения
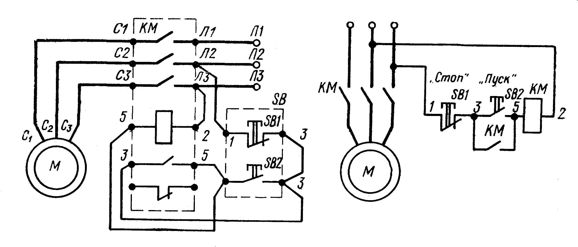
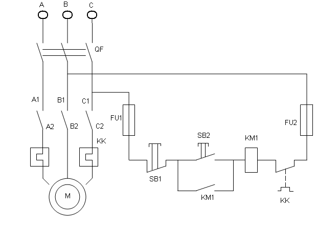
Как уже было сказано, тепловое реле защищает от долговременной перегрузки электрооборудование. Оно монтируется между источником питания и потребителем.
Контроллируемый ток протекает через нагревательные элементы (1), они выгибаясь размыкают контакты (2) теплового реле, в этой схеме использовано 2-хфазное тепловое реле. Его контакты размыкают цепь катушки контактора или магнитного пускателя, также как если бы вы нажали кнопку «СТОП».
В собранном виде эта схема выглядит так:
На первом плане видно как от выходящих контактов пускателя подключены две крайние фазы. На заднем плане видно, что к катушке реле подключена клемма от контактов ТРН.
Если у вас используется реверсная схема магнитных пускателей, то подключение практически аналогичное, ниже это наглядно изображено. Контакты с маркировкой «10» и «12» подключаются в разрыв катушек пускателей КМ1 и КМ2.
Здесь видно что есть нормально-замкнутая пара и нормально-разомкнутый контакт. Это нужно, например, для индикации срабатывания тепловой защиты, т.е. к нему можно подключить лампочку-индикатор или подать сигнал на диспетчерский пульт или АСУ.
На реле РТИ эти контакты размещены на передней панели:
- NO – нормально-открытый – на индикацию;
- NC – нормально-закрытый – на пускатель.
Кнопка STOP принудительно переключает контакты. При срабатывании такое реле должно остыть и оно повторно включится.
Хотя в конкретном примере возможно и ручное и автоматическое повторное включение. Для этого предназначена синяя кнопка с крестовидной прорезью справа на лицевой панели, при закрытой крышке она заблокирована.
Выбор для конкретного двигателя
Допустим, у нас есть двигатель АИР71В4У2. Его мощность 0.75 кВт. У нас есть трёхфазная сеть с линейным напряжением 380В. Двигатель рассчитан на 220В, если соединить обмотки треугольником и 380В, если звездой. Номинальный ток такого двигателя с обмотками соединенными по схеме звезды 1.94А. Полная информация содержится на его шильдике, который вы видите на фото ниже.
Отсюда следует, что нам нужно подобрать тепловое реле для двигателя с током в 1.94 А. Ток срабатывания теплового реле должен превышать номинальный ток двигателя в 1.2 – 1.3 раза. То есть:
Iреле=IН*1.2…1.3
Пусть двигатель работает в составе механизма, в котором допускаются кратковременные, но значительные перегрузки, например для подъёма малых грузов.
Тогда ток уставки выбираем в 1.3 раза больше номинального тока асинхронного электродвигателя.
Iреле=1.94*1.3=2.522
Т.е реле должно сработать при токе 2.5-2.6А. Нам подходят такие реле:
- РТЛ-1007, с токовым диапазоном 1.5-2.6 А;
- РТЛ-1008, токовый диапазон 2,4-4 А;
- РТИ-1307, токовый диапазон 1,6…2,5 А;
- РТИ-1308, токовый диапазон 2,5…4 А;
- ТРН-25 3,2А (с помощью регулятора можно понизить или повысить ток на 25%).
Методы регулировки реле
Шаг первый – определить уставку теплового реле:
N1 = (Iн – Iнэ)/cIнэ
где Iн — номинальный ток нагрузки электродвигателя, Iнэ — номинальный ток нагревательного элемента теплового реле, с — коэффициент деления шкалы (например, с = 0,05).
Шаг второй – введение поправки на температуру окружающей среды:
N2 = (T – 30)/10
где Т — температура окружающей среды, °С.
Шаг третий:
N = N1 + N2
Шаг четвертый – выставить регулятор на нужное число делений N.
Поправка на температуру вводится, если температура окружающей среды слишком высокая или низкая. Если на температуру в помещении где установлено реле значительно влияет температура на улице, то поправку следует производить зимой и летом.
Проверка
Рассмотрим на примере реле типа ТРН. Чтобы убедиться в исправности реле нужно:
1. Проверить состояние корпуса, нет ли на нем трещин или сколов.
2. Проверить при подключенной нагрузке с номинальным током.
3. Разобрать реле и проверить целостность контактов, остутствие на них нагара,
4. Проверить, не согнуты ли нагреватели.
5. Проверить расстояние между биметаллом и нагревательными элементами. Оно должно быть одинаковым, если нет, то отрегулировать с помощью крепежных винтов.
6. Подать номинальный ток через один из нагревателей, установить уставку в 1.5 раза больше номинального тока. В таком состоянии реле работает 145 с, затем постепенно поворачивают эксентрик регулировки в положение «-5», до срабатывания реле.
7. После активного охлаждения в течение 15 минут проверяют второй нагревательный элемент таким же способом.
Схема проверочного стенда:
Краткое резюме
Тепловые реле – важный элемент в защите электрооборудования. С его помощью вы защитите своё устройство от перегрузок, а его характеристики позволят переносить кратковременные скачки тока без ложных срабатываний, чего не может обеспечить автоматический выключатель.
Реле могут использоваться как вместе с магнитными пускателями соединяясь с его выходными клеммами напрямую, тем самым образуя единую конструкцию, так и в качестве самостоятельных защитных устройств, размещаться в щитке на дин рейке и в электрошкафах.
Ранее ЭлектроВести писали, что компания Schneider Electric, мировой эксперт в управлении энергией и автоматизации, представляет обновление линейки термомагнитных автоматических выключателей электродвигателей TeSys GV3 — TeSys GV3P73 и GV3P80, рассчитанных на токи 73 A и 80 A соответственно, которые дополнят серию GV3P и полностью заменят серию GV3ME80, снимаемую с производства.
По материалам: electrik.info.
Виды и конструкции тепловых реле, расчет и выбор теплового реле для защиты двигателя » сайт для электриков
Особенности монтажа
Как правило, установку теплового реле производят совместно с магнитным пускателем, который и осуществляет коммутацию и запуск электропривода. Однако существуют также и приборы с возможностью установки как отдельное устройство рядом на монтажной панели или DIN рейке, такие как ТРН и РТТ. Все зависит от наличия нужного номинала в ближайшем магазине, складе или в гараже в «стратегических запасах».
Наличие у теплового реле ТРН только двух входящих подключений не должно вас пугать, поскольку фазы три. Неподключенный провод фазы уходит с пускателя на двигатель, минуя реле. Ток в электродвигателе меняется пропорционально во всех трех фазах, поэтому контролировать достаточно любые две из них. Собранная конструкция, пускатель с теплушкой ТРН будет выгладить так: Или так с РТТ:
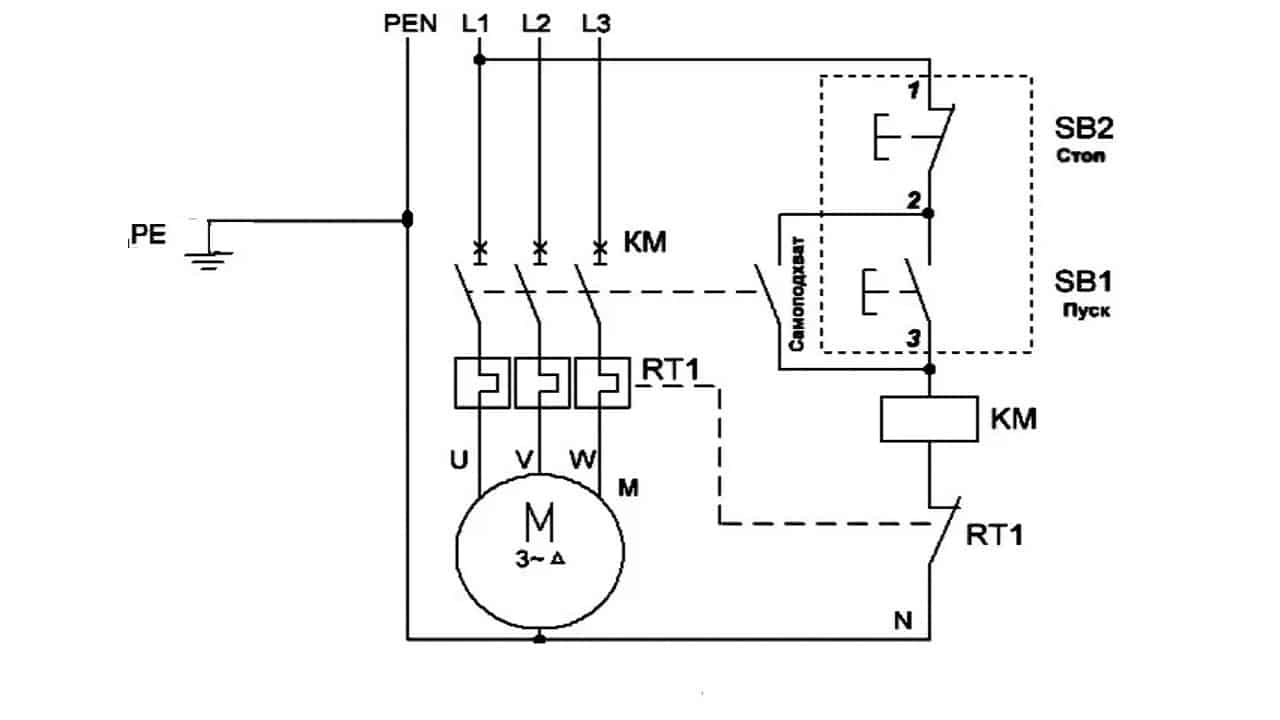
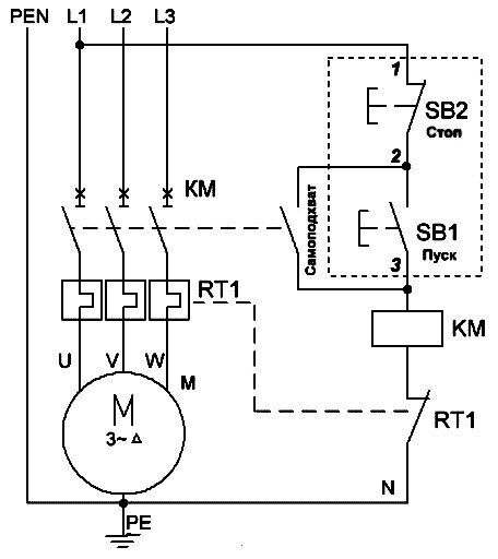
Рассмотрим схему из статьи в которой трехфазный двигатель вращается в одну сторону и управление включением осуществляется с одного места двумя кнопками СТОП И ПУСК.
Автомат включен и на верхние клеммы пускателя поступает напряжение. После нажатия на кнопку ПУСК, катушка пускателя А1 и А2 оказывается подключена к сети L2 и L3. В данной схеме используется пускатель с катушкой на 380 вольт, вариант подключения с однофазной катушкой 220 вольт ищите в нашей отдельной статье (ссылка выше).
Катушка включает пускатель и замыкаются дополнительные контакты No(13) и No(14), теперь можно отпустить ПУСК, контактор останется включенным. Данная схема называется «пуск с самоподхватом». Теперь для того чтобы отключить двигатель от сети необходимо обесточить катушку. Проследив по схеме путь тока, видим что это может произойти при нажатии СТОП или размыкании контактов теплового реле (выделен красным прямоугольником).
То есть, при возникновении внештатной ситуации, когда теплушка сработает, она разорвет цепь схемы и снимет пускатель с самоподхвата, обесточив двигатель от сети. При срабатывании данного устройства контроля тока, перед повторным запуском необходимо осмотреть механизм, для выяснения причины возникновения отключения, и не включать до ее устранения.
Часто причиной срабатывания является высокая внешняя температура окружающего воздуха, данный момент необходимо учитывать при эксплуатации механизмов и их настройке.
Сфера применения в домашнем хозяйстве тепловых реле не ограничивается только самодельными станками и прочими механизмами. Правильно было бы использовать их в системе контроля тока насоса системы отопления. Специфика работы циркуляционного насоса в том, что на лопастях и улитке образуется известковый налет, который может стать причиной заклинивания мотора и выхода его из строя. Используя приведенные схемы подключения, можно собрать блок контроля и защиты насоса. Достаточно установить в цепи питания нужный номинал теплушки и подключить контакты.
Кроме того будет интересна схема подключения теплового реле через трансформаторы тока, для мощных двигателей, таких как насос системы водополива для дачных поселков или фермерских хозяйств. При установке трансформаторов в цепи питания, учитывается коэффициент трансформации, к примеру 60/5 это при токе через первичную обмотку в 60 ампер, на вторичной обмотке он будет равен 5А.
Применение такой схемы позволяет сэкономить на комплектующих, при этом не потеряв в эксплуатационных характеристиках.
Как видно, красным цветом выделены трансформаторы тока, который подключены к реле контроля и амперметру для визуальной наглядности происходящих процессов. Трансформаторы подключены схемой звезда, с одной общей точкой. Такая схема не представляет из себя больших трудностей в реализации, поэтому вы можете самостоятельно ее собрать и подключить к сети.
Напоследок рекомендуем просмотреть видео, в котором наглядно показывается процесс подключения теплового реле к магнитному пускателю для защиты электродвигателя:
Вот и все, что вы должны знать о подключении теплового реле своими руками.
Как вы видите, монтаж не представляет особой сложности, главное правильно составить схему подсоединения всех элементов в цепи!
Будет интересно прочитать:
{SOURCE}
Магнитный пускатель
Теперь о том, на что следует обратить внимание, рассматривая сам пускатель перед его подключением
Самое важное – напряжение катушки управления, которое указано либо на ней самой, либо неподалеку. Если надпись гласит 220 В АС (или рядом с 220 стоит значок переменного тока), то для работы схемы управления потребуется фаза и ноль
Если надпись гласит 220 В АС (или рядом с 220 стоит значок переменного тока), то для работы схемы управления потребуется фаза и ноль.
Интересное видео о работе магнитного пускателя смотрите ниже:
Схема подключения.» src=»https://www.youtube.com/embed/xOXyvLWfTEc?feature=oembed» frameborder=»0″ allow=»accelerometer; autoplay; encrypted-media; gyroscope; picture-in-picture» allowfullscreen=»»/>
Если же это 380 В АС (того же переменного тока), то управлять пускателем будут две фазы. В процессе описания работы схемы управления будет понятно, в чем отличие.
Еще нам потребуется использовать дополнительный контакт пускателя, называемый блок-контактом. У большинства аппаратов он маркируется цифрами 13НО (13NO, просто 13) и 14НО (14NO, 14).
Буквы НО означают «нормально открытый», то есть замыкается он только на притянутом пускателе, что при желании можно проверить мультиметром. Встречаются пускатели, имеющие нормально замкнутые дополнительные контакты, они не годятся для рассматриваемой схемы управления.
У разных производителей их маркировка отличается, но при их определении сложностей не возникает. Итак, крепим пускатель к поверхности или DIN-рейке в месте его постоянной дислокации, прокладываем силовые и контрольные кабели, начинаем подключение.
Процесс подключения
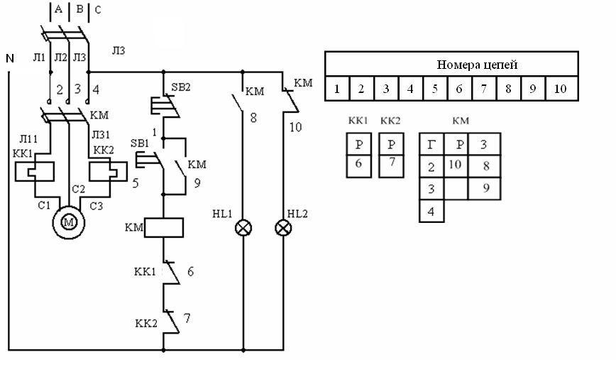
Ниже приведена схема подключения ТР с обозначениями. На ней можно найти сокращение КК1.1. Оно обозначает контакт, который в нормальном состоянии является замкнутым. Силовые контакты, через которые ток поступает на двигатель обозначены сокращением KK1. Автоматический выключатель, который находится в ТР обозначен как QF1. При его задействовании происходит подача питания по фазам. Фаза 1 управляется отдельной клавишей, которая обозначена маркировкой SB1. Она выполняет аварийную ручную остановку в случае возникновения непредвиденной ситуации. От нее контакту уходит на клавишу, которая обеспечивает пуск и обозначена сокращением SB2. Дополнительный контакт, который отходит от клавиши пуска, находится в дежурном состоянии. Когда выполняется запуск, тогда ток от фазы через контакт поступает на магнитный пускатель через катушку, которая обозначается KM1. Происходит срабатывание пускателя. При этом те контакты, которые в нормальном положении являются разомкнутыми замыкаются и наоборот.
Когда замыкаются контакты, которые на схеме находятся под сокращением KM1, тогда происходит включение трех фаз, которые пускают ток через тепловое реле на обмотки двигателя, который включается в работу. Если сила тока будет расти, тогда из-за воздействия контактных площадок ТР под сокращением KK1 произойдет размыкание трех фаз и пускатель обесточивается, а соответственно останавливается и двигатель. Обычная остановка потребителя в принудительном режиме происходит посредством воздействия на клавишу SB1. Она разрывает первую фазу, которая прекратит подачу напряжения на пускатель и его контакты разомкнутся. Ниже на фото можно увидеть импровизированную схему подключения.
Есть еще одна возможная схема подключения этого ТР. Разница заключается в том, что контакт реле, который в нормальном состоянии является замкнутым при срабатывании разрывает не фазу, а ноль, который уходит на пускатель. Ее применяют чаще всего в силу экономичности при выполнении монтажных работ.
В процессе нулевой контакт подводится к ТР, а с другого контакта монтируется перемычка на катушку, которая запускает контактор. При срабатывании защиты происходит размыкание нулевого провода, что приводит к отключению контактора и двигателя.
Реле может быть смонтировано в схему, где предусмотрено реверсивное движение двигателя. От схемы, которая была приведена выше различие заключается в том, что присутствует НЗ контакт, в реле, которое обозначено KK1.1.
Если реле срабатывает, тогда происходит разрыв нулевого провода контактами под обозначением KK1.1. Пускатель обесточивается и прекращает питания двигателя. В экстренной ситуации кнопка SB1 поможет быстро разорвать цепь питания, чтобы остановить двигатель. Видео о подключении ТР можно посмотреть ниже.
Особенности монтажа
Но при этом тепловое реле срабатывает в отличие от магнитного пускателя не по воле человека, а от перегрузки по току асинхронного двигателя.
Его также можно без особых проблем задействовать своими руками в схеме управления асинхронным движком. В связи с этим не будет лишним напомнить умельцам о том, что любые работы по присоединению электрических цепей к сети должны начинаться с гарантированного отключения напряжения в месте подключения с последующим контролем этого индикаторной отвёрткой или тестером.
- Чтобы правильно подключить магнитный пускатель и тепловое реле надо вначале определить величину напряжения, на которое они рассчитаны. Его значение указывается как в техническом паспорте, так и на шильдике, расположенном на корпусе устройства.
- Если указано напряжение 220 В устройство необходимо подключать к фазному напряжению, то есть к фазному и нулевому проводам. Если указано напряжение 380 В для подключения используется линейное напряжение, то есть к фазным проводам двух любых фаз.
- Если напряжение не будет соответствовать паспортным данным устройства, возможна, либо его порча от перегрева, либо неправильная работа по причине недостаточно сильного магнитного поля в катушке управления.

Особенностью работы магнитного пускателя является его контакт, который, замыкаясь, шунтирует кнопку включения его управляющей катушки. Это позволяет выполнять коммутацию электрических цепей кратковременным нажатием кнопки «пуск», что удобно и легко для пользователя. При подключении пускателя надо будет присоединять нормально разомкнутый контакт и нормально замкнутый контакт. Их вид в самом устройстве и на электрической схеме показан на изображении. Они используются для управления катушкой пускателя и располагаются в управляющем блоке пускателя. Он называется «кнопочный пост». В нём установлены две кнопки. Каждая из них приводит в действие: одна нормально замкнутый контакт и одна нормально разомкнутый контакт. Кнопки окрашены обычно в чёрный цвет (используется для пуска или реверса), и в красный цвет (используется для остановки двигателя отключением катушки пускателя).
Преимущества реализации такой схемы подключения
- Коммутатор и манипулятор управления (кнопка) могут быть разнесены.
То есть, управляющий элемент располагается в непосредственной близости от оператора, а массивный коммутатор можно разместить в любом удобном месте. - Возможно управление с помощью ножного привода (руки остаются свободными). Это позволяет лучше контролировать электроустановку и удерживать обрабатываемую деталь.
- Схема подключения выносного пускателя позволяет разместить устройства безопасности. Например, защиту от короткого замыкания или тепловые реле, срабатывающие при температурных перегрузках. Кроме того, такая схема позволяет реализовать механическую защиту: при перемещении подвижных частей электроустановки до критической отметки, срабатывает концевой выключатель, и магнитный пускатель размыкается.
- Дистанционное расположение управляющих элементов позволяет расположить аварийную кнопку в удобном месте, что повышает безопасность эксплуатации.
- Есть возможность установить единый кнопочный пост для управления большим количеством магнитных пускателей при расположении электроустановок в разных местах и на большом удалении.
Схема подключения через такой пост предполагает использование слаботочной управляющей проводки, что экономит средства на приобретение дорогостоящих силовых кабелей. - Для управления одним пускателем можно установить несколько кнопочных постов. В таком случае управление электроустановкой с каждого поста будет равнозначным. То есть, можно запустить электродвигатель с одной точки, а выключить с другой. Схема подключения нескольких кнопочных постов на иллюстрации:
- Магнитные контакторы можно интегрировать в электронную систему управления. В этом случае команды на пуск и отключение электроустановок подаются автоматически, по заданному алгоритму. Организовать такую систему с помощью механических (ручных) включателей невозможно.
Фактически, такая коммутация представляет собой релейную схему.
Схема подключения реверсивного магнитного пускателя
Фактически это два магнитных пускателя, объединенные электрически и механически, дальше подробнее.
Реверсивное управление электродвигателем
Реверсивный пускатель нужен тогда, когда необходимо, чтобы двигатель вращался поочередно в обоих направлениях.
Смена направления вращения реализуется общеизвестным способом — меняются местами любые две фазы. Посмотрите на схему реверсивного включения двигателя ниже:
9. Схема подключения реверсивного магнитного пускателя на 220В с управлением от кнопок. ПРАКТИЧЕСКАЯ СХЕМА
Когда включен пускатель КМ1, это будет «правое» вращение. Когда включается КМ2 — первая и третья фазы меняются местами, движок будет крутиться «влево». Включение пускателей КМ1 и КМ2 реализуется разными кнопками «Пуск вперед
» и «Пуск назад
«, выключение — одной, общей кнопкой «Стоп
» , как и в схемах без реверса.
Обратите пристальное внимание на треугольник между силовыми контактами КМ1 и КМ2. Он означает «защиту от дурака»
Может произойти так, что по какой-то причине включатся оба пускателя сразу. Произойдёт короткое замыкание между фазами L1 и L3. Можно сказать, «Ну и что, у нас ведь есть мотор-автомат QF, он нас спасёт!» А если не спасёт? А пока он будет спасать, выгорят контакты пускателей!
Поэтому реверсивный пускатель должен иметь механическую защиту от одновременного включения
двух его половин.
А если он состоит из двух отдельных пускателей, между ними ставится специальный механический блокиратор.
Теперь посмотрите на контакты КМ2.4 и КМ1.4, стоящие в цепях питания катушек пускателей. Это — электрическая защита от того же дурака
. Например, если включен КМ1, его НЗ контакт КМ1.4 разомкнут, и если наш дурак будет со всей своей дури жать на обе кнопки «Пуск» сразу, ничего не получится — двигатель будет слушаться той кнопки, которая нажата раньше.
Механическая и электрическая защиты в схеме подключения реверсивного пускателя должны быть всегда, они дополняют друг друга. Не ставить одну либо другую — моветон среди электриков
.
Для реализации электрической блокировки одновременного включения и самоподхвата на каждый пускатель надо, кроме силовых, ещё один НЗ (блокировка) и НО (самоподхват). Но поскольку пятого контакта, как правило, в пускателях нет, приходится ставить доп. контакт. Например, для пускателя типа ПМЛ используют приставку ПКИ.
А если, как в схеме 8, используется контроллер, самоподхват не нужен, и достаточно одного НЗ контакта на каждое направление вращения.
здесь .
Что важно знать?
Чтобы не повторятся, и не нагромождать лишний текст, кратко изложу смысл. Токовое реле является обязательным атрибутом системы управления электроприводом. Данное устройство реагирует на ток, который проходит через него на двигатель. Оно не защищает электродвигатель от короткого замыкания, а только оберегает от работы с повышенным током, возникающим при перегрузке или нештатной работе механизма (например, клин, заедание, затирание и прочие непредвиденные моменты).
При выборе теплового реле руководствуются паспортными данными электродвигателя, которые можно взять с таблички на его корпусе, как на фото ниже:
Как видно на бирке, номинальный ток электродвигателя 13.6 / 7.8 Ампера, для напряжений 220 и 380 Вольт. Согласно правилам эксплуатации, тепловое реле необходимо выбирать на 10-20 % больше номинального параметра.
От правильного выбора данного критерия зависит способность теплушки вовремя сработать и не допустить порчу электропривода. При расчете тока установки для приведенного на бирке номинала на 7.8 А, у нас получился результат 9.4 Ампера для токовой уставки аппарата.
При выборе в каталоге продукции нужно учесть, что данный номинал не был крайним на шкале регулировки уставки, поэтому желательно подобрать значение ближе к центру регулируемых параметров.К примеру, как на реле РТИ-1314:
Устройство и принцип работы
Термореле (ТР) предназначено для обеспечения защиты электродвигателей от перегрева и преждевременного выхода из строя. При долговременном запуске электродвигатель подвержен токовым перегрузкам, т.к. во время пуска происходит потребление семикратного значения тока, приводящего к нагреву обмоток. Номинальный ток (Iн) — сила тока, потребляемая двигателем при работе. Кроме того, ТР увеличивают срок эксплуатации электрооборудования.
Тепловое реле, устройство которого составляют простейшие элементы:
- Термочувствительный элемент.

- Контакт с самовозвратом.
- Контакты.
- Пружина.
- Биметаллический проводник в виде пластины.
- Кнопка.
- Регулятор тока уставки.
Термочувствительный элемент является датчиком температуры, служащий для передачи тепла на биметаллическую пластину или другой элемент тепловой защиты. Контакт с самовозвратом позволяет при нагреве мгновенно разомкнуть цепь питания электрического потребителя для избежания его перегрева.
Пластина состоит из двух видов металла (биметалл), причем один из них обладает высоким температурным коэффициентом расширения (Kр). Они скреплены между собой при помощи сварки или проката при высоких значениях температуры. При нагреве изгибается пластина тепловой защиты в сторону материала с меньшим Kр, а после остывания пластина принимает исходное положение. В основном пластины изготавливаются из инвара (меньшее значение Kр) и немагнитной или хромоникелевой стали (больший Kр).
Кнопка включает ТР, регулятор тока уставки необходим для установки оптимального значения I для потребителя, причем его превышение приведет к срабатыванию ТР.
Принцип действия ТР основан на законе Джоуля-Ленца. Ток представляет собой направленное движение заряженных частиц, которые сталкиваются с атомами кристаллической решетки проводника (эта величина является сопротивление и обозначается R). Это взаимодействие вызывает появление тепловой энергии, получаемой из электрической. Зависимость длительности протекания от температуры проводника определяется по закону Джоуля-Ленца.
Формулировка этого закона следующая: при прохождении I по проводнику количество теплоты Q, выделяемой током, при взаимодействии с атомами кристаллической решетки проводника прямо пропорционально квадрату I, величине R проводника и времени воздействия тока на проводник. Математически можно записать следующим образом: Q = a * I * I * R * t, где a — коэффициент преобразования, I — ток, протекающий через искомый проводник, R — величина сопротивления и t — время протекания I.
При коэффициенте a = 1 результат расчета измеряется в джоулях, а при условии, что a = 0.
24, результат измеряется в калориях.
Нагрев биметаллического материала происходит двумя способами. При первом случае I проходит через биметалл, а во втором — через обмотку. Изоляция обмотки замедляет поток тепловой энергии. Термореле нагревается сильнее при высоких значениях I, чем при контакте с термочувствительным элементом. Происходит задержка сигнала срабатывания контактов. В современных моделях ТР используются оба принципа.
Нагрев биметаллической пластины теплового устройства защиты производится при подключенной нагрузке. Комбинированный нагрев позволяет получить устройство с оптимальными характеристиками. Пластина нагревается при помощи тепла, выделяемого I при прохождении через нее, и специальным нагревателем при I нагрузки. Во время нагрева биметаллическая пластина деформируется и воздействует на контакт с самовозвратом.
Watch this video on YouTube
1.Принцип действия тепловых реле.
Тепловые
реле
—
это электрические аппараты, предназначенные
для защиты электродвигателей от токовой
перегрузки.
Наиболее распространенные
типы тепловых реле — ТРП, ТРН, РТЛ и РТТ.
Принцип действия тепловых реле основан
на свойствах биметаллической пластины
изменять свою форму при нагревании. В
общем случае тепловое реле представляет
собой расцепитель, в основе которого
лежит биметаллическая пластина, по
которой протекает ток. Под воздействием
теплового эффекта протекающего тока,
биметаллическая пластина изгибается,
разрывая цепи. При этом происходит
изменение состояния дополнительных
контактов. Первая и основная функция
тепловых реле — защита электрооборудования
от перегрузки.
Рис.1.Тепловое
реле
.
Долговечность
энергетического оборудования в
значительной степени зависит от
перегрузок, которым оно подвергается
во время работы. Для любого объекта
можно найти зависимость длительности
протекания тока от его величины, при
которых обеспечивается надежная и
длительная эксплуатация оборудования.
Эта зависимость представлена на рисунке
2 (кривая 1).
Рис.2.
Зависимость длительности протекания
тока от его величины.
При
номинальном токе допустимая длительность
его протекания равна бесконечности.
Протекание тока, большего, чем номинальный,
приводит к дополнительному повышению
температуры и дополнительному старению
изоляции. Поэтому чем больше перегрузка,
тем кратковременнее она допустима.
Кривая 1 на рисунке устанавливается
исходя из требуемой продолжительности
жизни оборудования. Чем короче его
жизнь, тем большие перегрузки допустимы.
При идеальной защите объекта зависимость
t
ср
(I) для реле должна идти немного ниже
кривой для объекта. Для защиты от
перегрузок, наиболее широкое распространение
получили тепловые реле с биметаллической
пластиной. Биметаллическая пластина
теплового реле состоит из двух пластин,
одна из которых имеет больший температурный
коэффициент расширения, другая —
меньший.
В месте прилегания друг к другу
пластины жестко скреплены либо за счет
проката в горячем состоянии, либо за
счет сварки. Если закрепить неподвижно
такую пластину и нагреть, то произойдет
изгиб пластины в сторону материала с
меньшим. Именно это явление используется
в тепловых реле. Широкое распространение
в тепловых реле получили материалы
инвар (малое значение a) и немагнитная
или хромоникелевая сталь (большое
значение a). Нагрев биметаллического
элемента теплового реле может производиться
за счет тепла, выделяемого в пластине
током нагрузки. Очень часто нагрев
биметалла производится от специального
нагревателя, по которому протекает ток
нагрузки. Лучшие характеристики
получаются при комбинированном нагреве,
когда пластина нагревается и за счет
тепла, выделяемого током, проходящим
через биметалл, и за счет тепла, выделяемого
специальным нагревателем, также
обтекаемым током нагрузки. Прогибаясь,
биметаллическая пластина своим свободным
концом воздействует на контактную
систему теплового реле.
Как выбрать тепловое реле
Двигателю необходимо реле для защиты, когда по технологическим причинам существует потенциальная угроза его перегруженности. Второй случай — необходимость ограничения времени запуска в условиях пониженного напряжения.
Эти требования содержатся в соответствующей инструкции. В которой изложено пожелание об оснащении защитного изделия выдержкой по времени. Реализуют все это при помощи тепловых реле.
Базовые характеристики приспособлений
Базовыми данными устройства, защищающего двигатель, являются:
- Быстродействие контактов в зависимости от параметров тока — время-токовый показатель.
- Рабочий ток, при котором ТП срабатывает.
- Предельные токовые регулировки уставки. Во всех приборах, выпускаемых разными производителями, этот параметр отличается незначительно. Превышение номинала на 20% влечет за собой срабатывание прибора минут через 25.
- Номинальная величина тока рабочей биметаллической пластины.
Имеется в виду значение, при превышении которого реле не отключается немедленно. - Токовый диапазон, в котором срабатывает реле.
Сведения о тепловом реле можно получить, расшифровав его маркировку. Символ, обозначающий тип исполнения, может отличаться.
Места размещения отечественных ТП регламентированы ГОСТом 15150. На их работу оказывают влияние такие моменты, как высота подъема над уровнем моря, вибрация, удары, ускорения.
Все эти нюансы производители отражают в маркировке своих изделий. Некоторые из них дополнительно включают сведения о возможности работы при наличии вредных веществ и взрывоопасных газов.
Выбор устройства по правилам
Требования к термореле изложены в инструкции. Здесь же оговорено, что защита должна обладать выдержкой по времени. Реализуют все запросы при помощи специальных приборов.
Анализируя времятоковые характеристики ТР, нужно принимать во внимание, что срабатывание может происходить из перегретого или холодного состояния.
Безупречная защита предполагает, что кривая, изображающая оптимальную для беспроблемного функционирования оборудования зависимость продолжительности токопрохождения от величины тока для реле и двигателя, разные
Первая должна находиться ниже, чем вторая
Безупречная защита предполагает, что кривая, изображающая оптимальную для беспроблемного функционирования оборудования зависимость продолжительности токопрохождения от величины тока для реле и двигателя, разные. Первая должна находиться ниже, чем вторая.
Правильный подбор защитного изделия осуществляется на основе такого параметра, как рабочий номинальный ток. Его значение связано с номинальным током нагрузки электродвигателя.
Как международными, так и отечественными стандартами предусмотрено, что номинальный ток двигателя аналогичен уставке тока срабатывания термореле.
Это значит, что включение в работу прибора происходит при перегрузке от 20 до 30% или при Iср.х1,2 или 1,3 не позже 20 минут.
Исходя из этого, выбор нужно осуществлять так, чтобы ток несрабатывания ТР превышал номинальный ток прикрываемого объекта в среднем на 12%.
Величина In отображена в паспорте прибора и на табличке, закрепленной на корпусе.
Основываясь на ней, подбирают как ТР, так и пускатель, соответствующий ему. Шкала реле калибрована в амперах и, как правило, отвечает значению тока уставки.
В качестве примера можно привести подбор теплового реле для асинхронного двигателя, подключенного к сети 380 В, мощностью 1,5 кВт.
Рабочий номинальный ток для него — 2,8 А, значит, для теплового реле пороговый ток будет равен: 1,2*2,8 = 3,36 А. По таблице выбор нужно остановить на РТЛ-1008, у которого диапазон регулировки находится в пределах от 2,4 до 4 А.
Когда паспортные данные двигателя неизвестны, ток определяют путем использования специальных приборов — токоизмерительных клещей или мультиметра с соответствующей опцией. Измерения проводят на каждой из фаз.
Важно при выборе уделить внимание напряжению, указанному на приборе. Если запланировано использовать тандем ТР-пускатель, нужно учесть число контактов
При включении устройства в трехфазную сеть необходим модуль, имеющий функцию защиты для случаев перегорания проводников или перекоса фаз.
Заключение
Все электромонтажные работы по подключению реле и прочего высоковольтного оборудования должен выполнять квалифицированный специалист, имеющий допуск и профильное образование. Самостоятельное проведение подобных работ сопряжено с опасностью для жизни и работоспособности электрических устройств. Если же все-таки необходимо разобраться с тем, как подключить реле, при его покупке нужно требовать распечатку схемы, которая обычно идет в комплекте с изделием.
Долговечность и надежность в эксплуатации любой установки с электрическим двигателем зависит от различных факторов. Однако в значительной мере на срок службы мотора влияют токовые перегрузки. Чтобы их предупредить подключают тепловое реле, защищающее основной рабочий орган электромашины.
Мы расскажем, как подобрать устройство, предсказывающее назревание аварийных ситуаций с превышением максимально допустимых показателей тока. В представленной нами статье описан принцип действия, приведены разновидности и их характеристики.
Даны советы по подключению и грамотной настройке.
Тепловое реле типа ТРВ — Энциклопедия по машиностроению XXL
| Фиг. 23. Тепловое реле типа РТ-1 а исполнение в кожухе (для пристройки) б — исполнение без кожуха. |
Для защиты от перегрева обмоток электродвигателей, работающих в длительном режиме, применяют тепловые реле типов ТРИ, ТРП, ТРТ. В ряде случаев такие реле входят в комплект электрических аппаратов, например магнитных пускателей.
[c.57]ТЕПЛОВОЕ РЕЛЕ ТИПА ТРВ-8,5
[c.105]
| Фиг. 12. Магнитные пускатели типа МПК-0 и МПК-1 а—без кожуха б—в кожухе. Пунктиром показана пристройка теплового реле. |
Вторым типом регуляторов непрямого действия для поддержания заданного давления является регулятор с реле типа РДМ (реле давления мембранное) и регулирующим клапаном типа РР (рис.
4-7). Регулятор устанавливается на обратной линии сети. Величина регулируемого давления составляет от 2,5 до 6 ат. В качестве рабочей жидкости используется вода из обратной линии сети. Может быть использована водопроводная вода, если давление ее всегда выше давления в обратной линии тепловой сети. Давление до регулирующего клапана 2, через импульсную трубку 5 передается чувствительному элементу реле 1 — нижней мембраны. Величина регулируемого давления устанавливается путем натяжения пружины реле. При заданном давлении все элементы реле и регулятора находятся в покое. В случае повыше-
[c.207]
Резкое повышение сопротивления СТР снижает ток в пусковой обмотке до нескольких миллиампер, что эквивалентно отключению этой обмотки так, как это сделало бы обычное пусковое реле. Слабый ток, не оказывая никакого влияния на состояние пусковой обмотки, продолжает проходить через СТР, оставаясь вполне достаточным, чтобы поддерживать его температуру на нужном уровне.
Такой способ запуска используется некоторыми разработчиками, если момент сопротивления при запуске очень малый, например, в установках с капиллярными расширительными устройствами (где при остановке неизбежно выравнивание давлений). Однако, когда компрессор остановился, длительность остановки должна быть достаточно большой, чтобы не только обеспечить выравнивание давлений, но и главным образом охладить СТР (по расчетам для этого нужно как минимум 5 минут). Всякая попытка запуска двигателя при горячем СТР (имеющим, следовательно, очень высокое сопротивление) не позволит пусковой обмотке запустить двигатель. За такую попытку можно поплатиться значительным возрастанием тока и срабатыванием теплового реле защиты. Терморезисторы представляют собой керамические диски или стержни и основным видом неисправностей этого типа пусковых устройств является их растрескивание и разрушение внутренних контактов, наиболее часто обусловленное попытками запуска при горячих СТР, что неизбежно влечет за собой чрезмерное повышение пускового тока (см.
рис. 53.37). При неисправности СТР его нужно заменить точно такой же моделью.
[c.289]
Наконец, напомним, что тепловое реле оказывается совершенно бесполезным для защиты от перегрева электронагревателей, поскольку этот тип потребителя рассчитан на постоянную силу тока (l=U/R). Если в электронагревателе произошло короткое замыкание, гораздо более эффективным средством его защиты является простой плавкий предохранитель, который к тому же, значительно дешевле. [c.312]
Прим. ред. В настоящее время широко используются регулируемые автоматы защиты двигателей, которые совмещают в себе функции теплового реле и предохранителей типа аМ, что позволяет при правильном подборе и настройке автомата надежно защитить двигатель. Поэтому все выше указанное о тепловых реле и предохранителях типа аМ можно отнести и к регулируемым автоматам защиты двигателей. Тем не менее при выборе автомата мы рекомендуем строго следовать рекомендациям производителя.
[c.
313]
Тип Номинальный ток цепи управления, А расцепителя автомата нагревательного элемента теплового реле Масса, кг Габариты (высота, глубина, ширина), мм [c.184]
Регулировка реле максимального тока. Двигатели с фазным ротором защищаются реле максимального тока типа РЭО-401, а двигатели с короткозамкнутым ротором — предохранителями и тепловыми реле. Надежная и безопасная работа крана обеспечивается правильно отрегулированной и исправной максимальной защитой. При осмотрах и ремонтах крана следует тщательно проверить исправность реле максимального тока. Реле должны срабатывать при токе не выше 225% номинального и примерно на 25% выше пускового тока двигателя. Неисправные катушки и иные детали реле заменяются новыми. [c.105]
Тип Количество контактов Масса в кг Наличие теплового реле Исполнение Наибольшая мощность в кет управляемого электродвигателя переменного тока частотой 50 гц при напряжении в в Номинальный ток главной цепи в а при напряжении в Номинальный ток блок-контактов
[c.
87]
Тепловое реле защищает электродвигатель от перегрузки. Реле каждого типа имеет нагревательные элементы, рассчитанные для работы при соответствующей силе тока. Нагревательные элементы для реле каждого тапа взаимозаменяемы. Реле не реагируют на мгновенное нарастание силы тока. Нагревательные элементы в схемах трехфазного переменного тока включаются в две фазы. [c.88]
Магнитный пускатель общего типа представляет собой трехполюсный контактор переменного тока со встроенным двухполюсным тепловым реле или без реле, смонтированный в кожухе. Магнитные пускатели предназначены для управления силовыми цепями с силой тока до 150 А при напряжении до 500 В с частотой 50 Гц. Применяют их для управления электродвигателями мощностью до 75 кВт, а также для таких механизмов, как тали, конвейеры, монорельсовые тележки и т. д. [c.105]
Схема электрооборудования автомата изображена на рис. 13. В схеме применено дистанционное управление электродвигателем с помощью магнитного пускателя.
Электродвигатель включается в сеть пакетным выключателем. От короткого замыкания защитой служат плавкие предохранители. Скорость ротора электродвигателя трехфазного переменного тока типа АО-41/4 мощностью 1,7 кет 1420 об/мин. От перегрузки электродвигатель защищен тепловым реле РТ. Цепь управления, в которую включена катушка магнитного пускателя К, состоит из нормально закрытого контакта кнопки Стоп , нормально открытого контакта кнопки Пуск и нормально закрытых контактов конечных выключателей КВМ и КВР.
[c.130]
В некоторых типах тепловых реле времени используют изгибающуюся при нагреве биметаллическую пластинку. [c.65]
Обычно для большей гарантии в рабочую цепь включают парные тепловые реле в сочетании с плавкими предохранителями, которые защищают электродвигатель от коротких замыканий. На фиг. 152 приведены предохранитель А типа ПР-1 и плавкие вставки В к нему. [c.130]
Промежуточное реле типа Р-306 цепей вентиляторов вагона (/СВ/, КВ2), насоса трансформатора (КНТ), контактор батареи (БК), реле времени и тепловые реле имеют следующие технические данные
[c.
167]
ГОСТ 2,710—81 распространяется на электрические схемы и устанавливает типы условных буквенно-цифровых обозначений их элементов. В обозначениях использованы прописные буквы латинского алфавита и арабские цифры, например РЦ — плавкий предохранитель если предохранителей несколько в одной схеме, их обозначают Р1]1, Р1 2 и т. д. Обозначения контакторов, магнитных пускателей и реле начинаются с буквы К КМ — контактор или пускатель ДЛ — токовое (максимальное) реле КК — тепловое реле КР — реле торможения КУ — реле напряжения. Обозначения сопротивлений, реостатов и резисторов начинаются с буквы Я ЯА — сопротивление якоря КЯ — резистор регулировочный (реостат) ЯТ — резистор пусковой ЯР — резистор тормозной и т. д. Часто используют также следующие обозначения УВ — [c.252]
Дифференциальная термопара присоединена к зеркальному гальванометру типа ГЗС и предварительно с ним проградуирована. Тепловой импульс дается включением электронагревателя в осветительную электросеть через понижающий трансформатор Тр и электронное реле времени РВ, сблокированное с магнитным пускателем МП.
Отсчет времени действия теплового импульса производится электрическим секундомером ЭС типа ПВ-53Л.
[c.50]
Цифровые программные реле времени. Известные конструкции реле всех типов (электромеханические, пневматические, тепловые, электронные) обеспечивают получение одной фиксированной уставки выдержки времени. Изменение уставки любого реле оператор производит вручную. [c.31]
Из рассмотренных ниже примеров будет видно, что от подобных ошибок не застрахован ни один из электромехаников по лифтам, если перед заменой любого элемента оборудования лифта не обратит внимание на тип реле и на рабочее напряжение его катушки, на величину сопротивления и мощность рассеивания резистора, на тип, величину емкости и номинальное напряжение конденсатора, на величину тепловой уставки автоматического выключателя и номинальный ток плавкой вставки предохранителя. [c.188]
Сопротивления типов ММТ и КМТ выпускают в виде шайб, стерженьков, бусинок путем обжига заготовок, полученных из массы, состоящей из смеси соответствующих окислов с органической связкой.
Они применяются в негерметизированном и герметизированном исполнении в качестве температурных датчиков (по изменению сопротивления), реле времени для схем теплового контроля и других целей. Для стабилизации -напряжения в различных слаботочных устройствах применяют термисторы типа ТП в виде нити, помещенной в стеклянный баллон с ламповым цоколем. В качестве бесконтактных переменных сопротивлений в автоматических схемах слабого тока применяют термосопротивления типа КП и ТКП (с прямым и косвенным подогревом).
[c.330]
Практической иллюстрацией изложенных соображений является система, созданная во ВНИИМ для поддержания адиабатических условий в калориметрах, предназначенных для измерения истинной теплоемкости веществ. Система отличается от показанной на рис. 1 главным образом тем, что введено устройство для компенсации возмущающего воздействия (/ 1 на рис. 2), в качестве которого использован программный задатчик типа ПД-44У. Так как возмущающим воздействием является тепловой импульс, поданный в образцовый контейнер, а продолжительность главного периода известна, устройство включается в начале главного периода и выключается в его конце при помощи реле времени.
В начале главного периода калориметрического опыта реле МКУ-48, установленное в цепи центрального нагревателя образцового контейнера, включает привод программного задатчика, подачу управляемой им мощности на обогрев адиабатической оболочки и реле времени. Поскольку возмущающее воздействие заранее известно, а температурный эффект от него в исследуемом веществе может
[c.291]
Номинальный ток теплового Тип реле элемента в пускателе [c.135]
Для защиты вспомогательных электрических машин электровозов переменного тока ВЛбО» и ВЛ80 от перегрузок в электрических цепях двигателей вентиляторов, компрессоров, фазорасщепителей и насосов устанавливают тепловые реле типа ТРТ (рис. 47). Основной рабочей частью реле являются П-образные термобиметаллические пластины 7, посаженные па ось 9, которая укреплена на подшипнике 8. На правый [c.67]
Тепловое реле типа ТРВ (обозначение по схеме ТР1, ТР2) применякзт для защиты от перегрузок генераторных цепей и цепей
[c.
105]
К основному электрооборудованию относятсяз электродвигатели аппараты управления электродвигателями — контроллеры, командоконтроллеры, контакторы, магнитные пускатели, реле управления аппараты регулирования скорости электродвигателей — пускорегулирующие реостаты, тормозные машины аппараты управления тормозами — тормозные электромагниты и электрогидрав-лические толкатели аппараты электрической защиты — защитные панели, автоматические выключатели, максимальные и тепловые реле, предохранители, распределительные ящики и другие аппараты, обеспечивающие максимальную и нулевую защиту электродвигателей аппараты механической защиты — конечные выключатели и ограничители грузоподъемности, обеспечивающие защиту крана и его механизмов от перехода крайних положений и перегрузки полупроводниковые выпрямители (селеновые, германиевые и кремниевые), являющиеся преобразователями переменного тока в постоянный ток, которым питаются обмотки возбуждения тормозных машин, обмотки магнитных усилителей, а также силовые цепи и цепи управления некоторых типов башенных кранов генераторы переменного и постоянного тока, применяемые на некоторых типах башенных кранов в качестве источников питания для всего электрооборудования или электрооборудования приводов отдельных механизмов аппараты и приборы, используемые для различных переключений и контроля в силовых цепях и цепях управления, — кнопки, рубильники, выключатели, переключатели, измерительные приборы.
[c.99]
Общий подвод питания к прессформе происходит от троллеи, расположенной вдоль линии конвейера через скользящий контакт 5. В нижнюю плиту прессформы вмонтировано тепловое реле 6 типа ТР-200. На панели 2 установлены предохранитель
[c.77]
Блок электронагрева прессформы (рис. 49) состоит из трубчатых электронагревателей 14, клеммы которых выведены на боковые стенки прессформы и объединены шинами 8 и 11, двух промежуточных реле 9 типа ПЭ-9, теплового реле 10, двух сигнальных ламп 15 с добавочными сопротивлениями 3, двух предохранителей 16 типа ПР-2 и включающего устройства. Весь блок смонтирован на электро- и теплоизоляционной панели 1 и закрыт кожухом 2. Проводка выполнена термостойкими проводами 12 типа ПСД. Принцип нагрева и терморегулирования ясен из приведенной электросхемы и аналогичен описанному для установки УНП-2. Отличие состоит в использовании промежуточных реле переменного тока, двух контрольных ламп, одна из которых сигнализирует о наличии питания, другая — о достижении температурного режима, и в конструкции включающего устройства.
Последнее укрепляется на кронштейне 7 и состоит нз валика 5 с выведенной наружу рукояткой, шарикового фиксатора, скользящего контакта 6 и ножевого рубильника 4. С помощью рукоятки валик 5 может поворачиваться и подниматься, обеспечивая включение или отключение системы нагрева пресс-формы от токоподающей троллеи конвейера. Электропитание на подвижную верхнюю часть прессформы подается через скользящий контакт 13.
[c.97]
Тепловое реле максимального тока РТ типа ТРП-25 рассчитано на ток орабатывания 10 а у агрегатов АБМ-2 или 25 а — у агрегатов АБМ-4. Реле РПТ — переменного тока, типа РПТ-100, а остальные три реле — телефонные, типа РПН. [c.79]
Иногда тепловое реле комбинируется с сигнальной лампой или сиреной, которая сигнализирует о чрезмерном нагреве обмоток двигателя, следовательно, о его перегрузке. Выбор того или иного из этих защитных устройств определяется, с одной стороны, их эксплуатационными характеристиками, с другой — типом, мощностью и конструкцией дв лгателя, его перегрузочной способностью, условиями пуска и характером возложных перегрузок станка во время его работы, зависящим от условий эксплуатации станка и от назначения двигателя.
Например, для защиты от перегрузок, опасных и при кратковременном действии, выбирают электромагнитное токовое реле мгновенного действия, для защиты от перегрузок более длительного действия — тепловое реле, и т. д.
[c.664]
Проектный теплогидравлический расчет водографитового реактора типа РБМК. Расчет паропроизводительной установки типа РБМК (рис. 9.42) проводится с целью определения размеров активной зоны и требует задания следующих исходных данных тепловой мощности реактора Мт, давления в контуре реактора, температуры питательной воды, высоты активной зоны, толщины отражателей, шага квадратной решетки технологических каналов (ТК), размеров конструкционных элементов ТК (в том числе и твэлов) и контура циркуляции, коэффициента теплопередачи через зазор между оболочкой твэла и топливным сердечником (йз), коэффициента неравномерности энерговыделения по радиусу активной зоны и ТК кг, тк). Доли энерговыделения в твэлах (т)тв) в конструкционных материалах и в замедли-.
реле. Кроме того, задаются лимитирующие параметры допустимая температура топлива (Т «), минимальный запас до критической мощности ТК (%р = и доля ТК в зоне
[c.150]
Со снижением начальной температуры пара располагаемое теплопадение в турбине и на каждой ступени, кроме последней, уменьшается. При неизменной электрической нагрузке растет расход пара. Расчеты показывают, что для промежуточных ступеней при изменении начальной температуры располагаемый тепловой перепад изменяется больше, чем расход пара. В литературе [93] приводятся результаты расчета регулирующей ступени турбины конденсационного типа средних параметров на переменный релрасход пара увеличивается всего на 1,8%. Это приводит к некоторо.му уменьшению напряжений изгиба в рабочих лопатках от парового потока. Обратная картина получается при повышении начальной температуры пара. В этом случае дополнительным факто-8 [c.8]
Литье вакуумным всасыванием по своей физической сущности близко к двум описанным выше методам литья.
Вакуумным всасыванием получан т сложные тонкостенные отливки с минимальным количеством тепловых узлов, а также слитки и полые изделия типа втулок из алюминиевых и медных сплавов. Схема литья вакуумным всасыванием приведена на рис. 34. С по-М01дью вакуумного насоса обеспечивается разрежение в ресивере. Электромагнитный клапан соединяет камеру с ресивером. С помощью дросселя регулируют скорость вакуумиро-вания камеры. В результате перепада давлений под расплавом в тигле и в камере с формой происходит заполнение последней жидким металлом. Реле времени определяет длительность технологической выдержки, после чего клапан соединяет камеру с атмосферой. Форму разбирают и извлекают отливку.
[c.407]
Кроме указанных основных параметров, при памощи четырехпозиционного реле времени типа НВЭ-7-1-А можно регламентировать и выдерживать еще два даполнительных параметра время предвари-. тельного сжатия 1 и. время так называемой проковки /г (с М. табл. 9, схема а). Время tl должно быть достаточным, чтобы механизм сжатия успел свести электроды и развить полное усилие до включения тока.
Этот параметр не оказывает влияния на тепловые рроцксы, и его следует по возможности сокращать. Время [c.68]
Выше указывалось, что в момент переключения транзистора в закрытое состояние потенциал эмиттера ниже потенциала базы и, следовательно, к переходу эмиттер — база приложено обратное напряжение. Если бы потенциалы эмиттера и базы просто выравнивались (что является вполне достаточным для прекращения тока в цепи базы), сказалось бы вредное влияние неуправляемых токов транзистора. Освобождение собственных носителей заряда в переходе база — коллектор создает неуправляемый обратный коллекторный ток /к.о. Диффузия носителей зарядов из эмиттера в базу создает неуправляемый начальный коллекторный ток /к.ш проходящий через оба перехода. Отсутствие тока в цепи базы не препятствует возникновению неуправляемых токов. Если транзистор не нагрет, неуправляемые токи настолько малы, что не оказывают существенного влияния на его работоспособность. Однако при повышении температуры неуправляемые токи быстро возрастают, увеличивая нагрев транзистора.
Повышение температуры, в свою очередь, вызывает увеличение неуправляемых токов, и таким образом этот процесс развивается лавинообразно, приводя в конечном результате к тепловому пробою транзистора. Обратное напряжение, приложенное к переходу эмиттер — база, создает электрическое поле, препятствующее возникновению неуправляемых токов, и обеспечивает работоспособность германиевого транзистора при повышении температуры в условиях эксплуатации. Способ защиты приложением обратного напряжения называется активным запиранием транзистора. Активное запирание применяется как в реле-регуляторе РР362, так и в транзисторных регуляторах напряжения других типов, а также в схеме контактно-транзисторного зажигания, В последнем случае активное запирание транзистора осуществляется импульсом обратного напряжения, создаваемого вспомогательным трансформатором в момент размыкания контактов.
[c.154]
Реле-регуляторы могут быть вибрационного типа, контактно-транзисторнце и бесконтактно-транзисторные.
Характерными неисправностями реле-регуляторов являются нарушения регулировки, т. е. несвоевременные включения и выключения. регулятора напряжения, ограничителя силы тока и реле защиты, реле обратного тока. Эти неисправности возникают вследствие изменения натяже1 ия пружины якорька, зазора между якорьком и сердечником, а также в результате окисления или сваривания контактов реле. Кроме того, неисправностями ) ле-регуляторов, отражающимися на работе генератора, могут быть обрыв или ослабление крепления добавочных сопротивлений регулятора напряжения, обрывы витков в обмотках, пробой транзисторов, тепловое разрушение диодов и стабилизаторов.
[c.178]
Тепловое реле для электродвигателя схема подключения
Одним из защитных аппаратов, применяемых в электроустановках, является тепловое реле, которое используется для защиты электродвигателя от перегрузки. На сегодняшний день существуют различные виды и типы данных изделий, однако все они имеют схожую область применения.
Блок: 1/4 | Кол-во символов: 389
Источник: https://samelectrik.ru/chto-takoe-teplovoe-rele.html
Разделы статьи
Конструктивные особенности
В основе устройства и принципа действия теплового реле (ТР) лежит закон Джоуля-Ленца — выделяемое на участке электроцепи количество тепла пропорционально сопротивлению этого участка и квадрату силы тока. Это физическое явление сегодня активно применяется в тепловых разъединителях. Небольшой участок электрической цепи, выступающий в роли излучателя, наматывается на изолятор спиралью.
Проходящий через электрооборудование ток протекает и в этом участке. Рядом со спиралью расположена пластина, изготовленная из биметаллического сплава. При достижении определенной температуры она изгибается и воздействует на группу контактов.
Особенность пластины заключается в том, что она изготовлена из двух металлов, обладающих разными показателями коэффициента теплового расширения, которые составляют один элемент.
Конструкция прибора показана на рисунке.
К проводникам подсоединены три фазы питания электромотора. Обмотка нагрева находится над биметаллической пластиной, что позволяет уменьшить число ложных срабатываний прибора. Пластины упираются в подвижный элемент конструкции, который воздействует на механизм разъединителя. В верхней части прибора расположены две группы контактов (закрытые NC и открытые NO), а также регулятор токовой нагрузки пружинного типа.
Блок: 2/6 | Кол-во символов: 1302
Источник: https://220v.guru/elementy-elektriki/princip-raboty-i-podklyuchenie-teplovogo-rele-dlya-elektrodvigatelya.html
Особенности теплового реле
Но, в отличие от автоматического защитного выключателя, ТР не размыкает силовые цепи питания, а разрывает цепь самоподхвата магнитного пускателя. Нормально замкнутый контакт защитного устройства действует аналогично кнопке «Стоп», и подключается последовательно с ней.
Тандем контактора и теплового реле
Поскольку тепловое реле подключается сразу же после магнитного пускателя, то нет нужды дублировать функции контактора при аварийном размыкании цепей. При таком выборе реализации защиты достигается ощутимая экономия материала для контактных силовых групп – значительно проще коммутировать небольшой ток в одной цепи управления, чем разрывать три контакта под большой токовой нагрузкой.
Тепловое реле не разрывает силовые цепи напрямую, а лишь выдает сигнал управления в случае превышения нагрузки – данную особенность следует помнить при подключении устройства.
Как правило, в тепловом реле присутствует два контакта – нормально замкнутый и нормально разомкнутый. При срабатывании устройства данные контакты одновременно меняют свое состояние.
Нормально разомкнутые и нормально замкнутые контакты
Характеристики теплового реле
Выбор ТР следует производить, сопоставляя типичные характеристики данного защитного устройства соответственно имеющейся нагрузке и условиям эксплуатации электродвигателя:
- Номинальный ток защиты;
- Предел регулировки уставки тока срабатывания;
- Напряжение силовой цепи;
- Количество и тип вспомогательных контактов управления;
- Мощность коммутации контактов управления;
- Порог срабатывания (коэффициент отношения к номинальному току)
- Чувствительность к асимметричности фаз;
- Класс отключения;
Схема подключения
В большинстве схем при подключениях теплового реле к магнитному пускателю используется нормально замкнутый контакт, который подключается последовательно с кнопкой «Стоп» пульта управления.
Обозначением данного контакта является сочетание букв NC (normal connected) или НЗ (нормально замкнутый).
Схема подключения ТР к контактору в магнитном пускателе
Нормально разомкнутый контакт (NO) при данной схеме подключения может использоваться для сигнализации о срабатывании тепловой защиты электродвигателя. В более сложных автоматических схемах управления он может использоваться для инициализации аварийного алгоритма останова конвейерной цепи оборудования.
Для самостоятельного подключения теплового реле для защиты электродвигателя, не имея опыта работы с подобным оборудованием, будет правильно сначала ознакомиться с принципом работы и подключением магнитного пускателя на данном сайте.
В независимости от типа подключения электродвигателя и количества контакторов магнитного пускателя (прямой и реверсивный запуск), внедрение теплового реле в схему является достаточно простым. Оно устанавливается после контакторов перед электродвигателем, а размыкающийся (нормально замкнутый) контакт подключается последовательно с кнопкой «Стоп».
Тепловое реле в схеме реверсивного подключения контакторов
Элементы подключения, управления и настройки ТР
По ГОСТ клеммы контактов управления имеют обозначение 95-96 (нормально замкнутый) и 97-98 (нормально разомкнутый).
На данном рисунке показана схема теплового реле с обозначением выводов и элементов управления. Кнопка «Тестирование служит для проверки работоспособности механизма.
Кнопка «Стоп» служит для ручного выключения устройства защиты.
Функция «Повторный взвод» позволяет заново запустить электродвигатель после срабатывания защиты. Многие ТР поддерживают два варианта – автоматический (возвращение в исходное состояние происходит после остывания биметаллических пластин) и ручной взвод, требующий непосредственного действия оператора для нажатия соответствующей кнопки.
Управление повторным взводом
Уставка тока срабатывания позволяет сделать выбор значения перегрузки, при котором реле отключит катушку контактора, который обесточит электродвигатель.
Регулировка уставки срабатывания относительно метки
При выборе устройства защиты нужно помнить, что по аналогии с автоматическим выключателем у тепловых реле также имеется времятоковая характеристика. То есть, при превышении уставленного тока на некоторое значение, отключение произойдет не сразу, а по истечению некоего времени. Быстрота срабатывания будет зависеть от кратности превышения тока уставки.
Графики времятоковой характеристики
Разные графики соответствуют характеру нагрузки, количеству фаз и температурному режиму.
Как видно из графиков, при двукратном превышении нагрузки может пройти больше минуты времени, прежде, чем защита сработает. Если же выбрать ТР недостаточно мощным, то двигатель может не успеть разогнаться при многократном стартовом превышении уставки тока перегрузки.
Также у некоторых тепловых реле имеется флажок срабатывания защиты.
Защитное закрывающееся стекло служит одновременно для нанесения маркировки и защиты настроек при помощи пломбирования,
Защита настроек и маркировка
Блок: 2/3 | Кол-во символов: 4872
Источник: http://infoelectrik.
ru/elektrotexnicheskie-ustrojstva/podklyuchenie-teplovogo-rele.html
Основные характеристики
Каждое ТР имеет индивидуальные технические характеристики (ТХ). Реле нужно выбирать согласно характеристикам по нагрузке и условиям применения при работе электродвигателя или другого потребителя электроэнергии:
- Значение Iн.
- Диапазон регулировки I срабатывания.
- Напряжение.
- Дополнительное управление работой ТР.
- Мощность.
- Граница срабатывания.
- Чувствительность к фазному перекосу.
- Класс отключения.
Номинальное значение тока – значение I, на которое рассчитано ТР. Выбирается по значению Iн потребителя, к которому непосредственно подключается. Кроме того, нужно выбирать с запасом по Iн и руководствоваться следующей формулой: Iнр = 1.5 * Iнд, где Iнр – Iн ТР, который должен быть больше номинального тока двигателя (Iнд) в 1.5 раза.
Граница регулировки I срабатывания является одним из важных параметров устройства термозащиты.
Обозначение этого параметра является диапазоном регулировки значения Iн. Напряжение – значение силового напряжения, на которое рассчитаны контакты реле; при превышении допустимой величины произойдет выход из строя устройства.
Некоторые виды реле снабжены отдельными контактами для управления работой устройства и потребителя. Мощность – это один из основных параметров ТР, которое определяет выходную мощность подключенного потребителя или группы потребителей.
Граница срабатывания или порог срабатывания является коэффициентом, зависящим от номинального тока. В основном его значение находится в диапазоне от 1,1 до 1,5.
Чувствительность к фазному перекосу (асимметрии фаз) показывает процентное соотношение фазы с перекосом к фазе, по которой протекает номинальный ток необходимой величины.
Класс отключения – параметр, представляющий среднее время срабатывания ТР в зависимости от кратности тока уставки.
Основной характеристикой, по которой нужно выбирать ТР, является зависимость времени срабатывания от тока нагрузки.
Блок: 3/6 | Кол-во символов: 1878
Источник: https://odinelectric.ru/equipment/printsip-raboty-i-shema-podklyucheniya-teplovogo-rele
Подключение и установка ТР
Как правило, современные тепловые реле имеют защиту по всем трем фазам, в отличие от распространенных в советское время тепловых реле, имеющих обозначения ТРН, где контроль тока производился только в двух проводах, идущих к электродвигателю.
Тепловое реле ТРН с контролем тока только в двух фазах
По типу подключения тепловые реле можно разделить на две разновидности:
- Устанавливаемые рядом с магнитным пускателем, и подключаемые при помощи перемычек (ТРН, РТТ).Реле РТТ, подключенное при помощи жестких пластинчатых перемычек
- Монтируемые непосредственно на контактор магнитного пускателя (современные модели).Реле устанавливается непосредственно на контакторе
Входные токопроводящие выводы в современных моделях одновременно служат частью крепежа теплового реле к контактору магнитного пускателя.
Они вставляются в выходные клеммы контактора.
Подключение теплового реле к контактору
Как видно из фото внизу, в некоторых пределах можно изменять расстояние между выводами, чтобы подстраиваться под различные виды контакторов.
Подстройка выводов под клеммы контактора
Для дополнительной фиксации ТР предусмотрены соответствующие выступы на самом устройстве и на контакторе.
Элемент крепежа на корпусе теплового релеСпециальный паз крепления на контакторе
Механика теплового реле
Существует много разновидностей ТР, но принцип действия у них одинаков – при протекании увеличенного тока через биметаллические пластины они искривляются и воздействуют через систему рычагов на спусковой механизм контактных групп.
Рассмотрим для примера устройство теплового реле LR2 D1314 фирмы «Schneider Electric».
ТР в разобранном виде
Условно данное устройство можно разделить на две части: блок биметаллических пластин и система рычагов с контактными группами.
Биметаллические пластины состоят из двух полос различных сплавов, соединенных в одну конструкцию, имеющих разный тепловой коэффициент расширения.
Изгибающаяся биметаллическая пластина
Благодаря неравномерному расширению при больших значениях тока данная конструкция расширяется неравномерно, что заставляет ее изгибаться. При этом один конец пластины зафиксирован неподвижно, а подвижная часть воздействует на систему рычагов.
Система рычагов
Если убрать рычаги, то будут видны контактные группы теплового реле.
Коммутационный узел ТР
Не рекомендуется сразу же включать тепловое реле после срабатывания и заново запускать электродвигатель – пластинам нужно время, чтобы остыть и вернуться в первоначальное состояние. К тому же, будет благоразумней сначала найти причину срабатывания защиты.
Блок: 3/3 | Кол-во символов: 2561
Источник: http://infoelectrik.
ru/elektrotexnicheskie-ustrojstva/podklyuchenie-teplovogo-rele.html
Назначение
Сразу же хотелось бы сказать о том, что существуют различные виды и типы тепловых реле и соответственно область применения каждой классификации своя собственная. Вкратце поговорим о назначении основных разновидностей устройств.
РТЛ — трехфазное, предназначено для защиты электродвигателя от перегрузок, перекоса фаз, затянутого пуска или заклинивания ротора. Крепятся на контакты пускатели ПМЛ или как самостоятельное устройство с клеммами КРЛ.
РТТ — на три фазы, предназначены для защиты короткозамкнутых двигателей от токов перегрузки, перекоса фаз, заклинивания ротора двигателя, затянутого запуска механизма. Может крепиться на ПМА и ПМЕ пускатели, а также самостоятельно устанавливаться на панели.
РТИ — защищают электромотор от перегрузки, асимметрии фаз, длинного пуска и заклинивания машины. Трехфазное тепловое реле, крепится на пускатели серии КМТ и КМИ.
ТРН — двухфазное реле, контролирует режим работы и пуска, имеет только ручной возврат контактов, работа устройства мало зависит от температуры окружающей среды.
Твердотельные трехфазное реле, не имеют подвижных деталей, не зависят от состояния окружающей среды, применяют во взрывоопасных местах. Следит за током нагрузки, разгоном, обрывом фаз, заклиниванием механизма.
РТК — контроль температуры происходит щупом, расположенным в корпусе электроустановки. Представляет собой термо реле, и контролирует только один параметр.
РТЭ — реле плавления сплава, электропроводящий проводник выполнен из сплава металла, при определенной температуре плавится и механически разрывает цепь. Данное тепловое реле встраивается непосредственно в контролируемое устройство.
Как видно из нашей статьи, существует большое разнообразие контроля за состоянием электроустановок, отличающихся типом и внешним видом, но одинаково выполняющих защиту электрооборудования.
Блок: 4/4 | Кол-во символов: 2016
Источник: https://samelectrik.ru/chto-takoe-teplovoe-rele.html
Процесс подключения
Ниже приведена схема подключения ТР с обозначениями.
На ней можно найти сокращение КК1.1. Оно обозначает контакт, который в нормальном состоянии является замкнутым. Силовые контакты, через которые ток поступает на двигатель обозначены сокращением KK1. Автоматический выключатель, который находится в ТР обозначен как QF1. При его задействовании происходит подача питания по фазам. Фаза 1 управляется отдельной клавишей, которая обозначена маркировкой SB1. Она выполняет аварийную ручную остановку в случае возникновения непредвиденной ситуации. От нее контакту уходит на клавишу, которая обеспечивает пуск и обозначена сокращением SB2. Дополнительный контакт, который отходит от клавиши пуска, находится в дежурном состоянии. Когда выполняется запуск, тогда ток от фазы через контакт поступает на магнитный пускатель через катушку, которая обозначается KM1. Происходит срабатывание пускателя. При этом те контакты, которые в нормальном положении являются разомкнутыми замыкаются и наоборот.
Когда замыкаются контакты, которые на схеме находятся под сокращением KM1, тогда происходит включение трех фаз, которые пускают ток через тепловое реле на обмотки двигателя, который включается в работу.
Если сила тока будет расти, тогда из-за воздействия контактных площадок ТР под сокращением KK1 произойдет размыкание трех фаз и пускатель обесточивается, а соответственно останавливается и двигатель. Обычная остановка потребителя в принудительном режиме происходит посредством воздействия на клавишу SB1. Она разрывает первую фазу, которая прекратит подачу напряжения на пускатель и его контакты разомкнутся. Ниже на фото можно увидеть импровизированную схему подключения.
Есть еще одна возможная схема подключения этого ТР. Разница заключается в том, что контакт реле, который в нормальном состоянии является замкнутым при срабатывании разрывает не фазу, а ноль, который уходит на пускатель. Ее применяют чаще всего в силу экономичности при выполнении монтажных работ. В процессе нулевой контакт подводится к ТР, а с другого контакта монтируется перемычка на катушку, которая запускает контактор. При срабатывании защиты происходит размыкание нулевого провода, что приводит к отключению контактора и двигателя.
Реле может быть смонтировано в схему, где предусмотрено реверсивное движение двигателя. От схемы, которая была приведена выше различие заключается в том, что присутствует НЗ контакт, в реле, которое обозначено KK1.1.
Если реле срабатывает, тогда происходит разрыв нулевого провода контактами под обозначением KK1.1. Пускатель обесточивается и прекращает питания двигателя. В экстренной ситуации кнопка SB1 поможет быстро разорвать цепь питания, чтобы остановить двигатель.
Блок: 4/5 | Кол-во символов: 2751
Источник: https://2proraba.com/elektrika/teplovoe-rele-dlya-elektrodvigatelya-sxema-podklyucheniya.html
Резюме
Схемы, на которых будет изображаться принцип подключения реле к контактору, могут иметь другие буквенные или цифровые обозначения. Чаще всего их расшифровка приводится внизу, но принцип всегда остается одинаковым. Можно немного попрактиковаться, собрав всю схему с потребителем в виде лампочки или небольшого двигателя.
С помощью тестовой клавиши можно будет отработать нестандартную ситуацию. Клавиши запуска и остановки позволят проверить работоспособность всей схемы. При этом стоит обязательно учитывать тип пускателя и то, в каком нормальном состоянии находятся его контакты. Если есть определенные сомнения, тогда лучше посоветоваться с электромонтажником, который имеет опыт в сборке таких схем.
Блок: 5/5 | Кол-во символов: 711
Источник: https://2proraba.com/elektrika/teplovoe-rele-dlya-elektrodvigatelya-sxema-podklyucheniya.html
Рекомендации по выбору
При выборе прибора необходимо ориентироваться на область его использования, а также имеющийся функционал. Проблем с поиском нужного защитного устройства практически никогда не возникает. Особое внимание в это время нужно уделить следующим моментам:
- Однофазные ТР с автоматическим сбросом возвращаются в исходное состояние по истечении определенного отрезка времени. Если электродвигатель в этот момент еще перегружен, прибор сработает повторно.

- Реле, имеющие систему компенсации температуры окружающей среды, способны работать в широком температурном диапазоне.
- Некоторые модели приборов обладают способностью контролировать состояние фаз. Они сработают не только при перегреве мотора, но также, если был обнаружен обрыв фаз, их разворот либо дисбаланс.
- Существуют ТР, способные срабатывать при недогрузке электрооборудования. Такая ситуация возможна, например, когда насос начал функционировать всухую.
Стоимость реле находится в широком ценовом диапазоне. Во время выбора прибора нужно внимательно изучить его технические характеристики. В паспорте можно также найти и рекомендации по подключению ТР. Впрочем, этот процесс не является сложным, и проблемы возникают крайне редко.
Блок: 6/6 | Кол-во символов: 1216
Источник: https://220v.guru/elementy-elektriki/princip-raboty-i-podklyuchenie-teplovogo-rele-dlya-elektrodvigatelya.
html
Кол-во блоков: 10 | Общее кол-во символов: 17696
Количество использованных доноров: 5
Информация по каждому донору:
- http://infoelectrik.ru/elektrotexnicheskie-ustrojstva/podklyuchenie-teplovogo-rele.html: использовано 2 блоков из 3, кол-во символов 7433 (42%)
- https://odinelectric.ru/equipment/printsip-raboty-i-shema-podklyucheniya-teplovogo-rele: использовано 1 блоков из 6, кол-во символов 1878 (11%)
- https://2proraba.com/elektrika/teplovoe-rele-dlya-elektrodvigatelya-sxema-podklyucheniya.html: использовано 2 блоков из 5, кол-во символов 3462 (20%)
- https://samelectrik.ru/chto-takoe-teplovoe-rele.html: использовано 2 блоков из 4, кол-во символов 2405 (14%)
- https://220v.guru/elementy-elektriki/princip-raboty-i-podklyuchenie-teplovogo-rele-dlya-elektrodvigatelya.html: использовано 2 блоков из 6, кол-во символов 2518 (14%)
Основы встроенной защиты двигателя для начинающих
Зачем нужна защита двигателя?
Во избежание непредвиденных поломок, дорогостоящего ремонта и последующих потерь из-за простоя двигателя важно, чтобы двигатель был оснащен каким-либо защитным устройством.
В этой статье речь пойдет о встроенной защите двигателя с защитой от тепловой перегрузки, чтобы избежать повреждения и поломки двигателя.
Основы встроенной защиты двигателя для начинающих (на фото: вид установленного внутри двигателя термостата; кредит: johndearmond.com)
Для встроенной защиты всегда требуется внешний автоматический выключатель, а для некоторых типов встроенной защиты двигателя даже требуется реле перегрузки.
Внутренняя защита / встроенная в двигатель
Зачем нужна встроенная защита двигателя, если двигатель уже оснащен реле перегрузки и предохранителями? Иногда реле перегрузки не регистрирует перегрузку двигателя.
Вот пара примеров этого:
- Если двигатель накрыт и медленно прогрет до высокой разрушающей температуры.
- Обычно при высокой температуре окружающей среды.
- Если внешняя защита двигателя настроена на слишком высокий ток срабатывания или установлена неправильно.

- Если двигатель в течение короткого промежутка времени перезапустить несколько раз, то ток блокировки ротора нагревает двигатель и в конечном итоге повреждает его.
Степень защиты, которую обеспечивает внутреннее защитное устройство, классифицируется в стандарте IEC 60034-11.
Обозначение TP
TP — сокращение от тепловой защиты.Существуют различные типы тепловой защиты, которые обозначаются кодом TP (TPxxx) , который указывает:
- Тип тепловой перегрузки, для которой предназначена тепловая защита (1 цифра)
- Количество уровней и тип действие (2 цифры)
- Категория встроенной тепловой защиты (3 цифры)
Для двигателей насосов наиболее распространенными обозначениями ТП являются:
- TP 111 перегрузка
- ТП 211 – защита как от быстрой, так и от медленной перегрузки.
Внутренняя защита, встроенная в обмотки
Индикация допустимого уровня температуры при тепловой перегрузке двигателя.
Категория 2 допускает более высокие температуры, чем категория 1.
| символ (TP) | Техническая перегрузка с вариацией (1 цифр) | Количество уровней и области функций (2 цифры) | категория (3 цифры) |
| TP 111 | Только медленно (т.е. Постоянная перегрузка) | 1 уровень на Cutoff | 1 |
| TP 112 | 2 | TP 121 | 2 уровня в аварийном сигнале и отсеке | 1 |
| TP 122 | 2 | 2 | 2 | 2 | 2 | 2 | 2 | 2 |
| TP 211 | медленный и быстрый (т.е. постоянная перегрузка и заблокированное состояние) | 1 уровень на вырезании | 1 | TP 212 | 2 | 2 |
| TP 221 | 2 уровня при аварийном сигнале и отсечении | 1 | |
| TP 222 | 2 | ||
| TP 311 | Только быстрый (т. е. состояние блокировки) | 1 уровень при отключении | 1 |
| TP 312 | 2 |
Информацию о том, какой тип защиты был применен к двигателю, можно найти на ) обозначение согласно IEC 60034-11 .
Как правило, внутренняя защита может быть реализована с использованием двух типов предохранителей:
- Термозащита или
- Термисторы.
Термозащита – встроена в клеммную коробку
Термозащита или термостат используют биметаллический дисковый переключатель моментального действия для размыкания или замыкания цепи при достижении определенной температуры. Термопротекторы также называются кликсонами (торговое название Texas Instruments).
Когда биметаллический диск достигает заданной температуры, он размыкает или замыкает набор контактов в цепи управления, находящейся под напряжением . Термостаты доступны с контактами для нормально разомкнутых или нормально замкнутых операций, но одно и то же устройство нельзя использовать для обоих.
Термостаты предварительно откалиброваны производителем и не могут быть отрегулированы. Диски герметичны и размещены на клеммной колодке.
Верхняя заводская табличка: TP 211 в двигателе MG 3,0 кВт с PTC; Нижняя заводская табличка: TP 111 в двигателе Grundfos MMG 18,5 кВт, оснащенном PTC.
Символы термовыключателя двигателя
Символы (слева направо):
- Термовыключатель без нагревателя
- Термовыключатель с нагревателем
- Термовыключатель без нагревателя для трехфазных двигателей (защита звезды)
Термостат может либо подать питание на цепь сигнализации , если она нормально разомкнута, либо обесточить контактор двигателя , если он нормально замкнут и включен последовательно с контактором.
Поскольку термостаты расположены на внешней поверхности концов змеевика, они измеряют температуру в этом месте. В случае с трехфазными двигателями термостаты считаются неустойчивой защитой от остановки или других быстро меняющихся температурных условий.
В однофазных двигателях термостаты защищают от условий блокировки ротора.
Вернуться к оглавлению ↑
Термовыключатель – встроенный в обмотки
Термозащита также может быть встроена в обмотки, см. рисунок ниже.Они работают как чувствительный выключатель питания как для однофазных, так и для трехфазных двигателей. В однофазных двигателях до заданного размера двигателя около 1,1 кВт он может быть установлен непосредственно в главной цепи, чтобы служить защитой на обмотке.
Символ тепловой защиты
Тепловая защита должна быть подключена последовательно с обмоткой или с цепью управления в двигателе.
Тепловая защита, встроенная в обмотки
Klixon и Thermik являются примерами термовыключателя. Эти устройства также называются PTO (Protection Thermique à Ouverture).
Термовыключатели, чувствительные к току и температуре: Вверху: Klixons; Внизу: Thermik – PTO
Внутренний фитинг
В однофазных двигателях используется один термовыключатель.
В трехфазных двигателях 2 последовательно соединенных термовыключателя располагаются между фазами двигателя. Таким образом, все три фазы находятся в контакте с термовыключателем.
Термовыключатели могут быть установлены на конце катушки, но в результате увеличивается время реакции. Коммутаторы должны быть подключены к внешней системе мониторинга.Таким образом, двигатель защищен от медленной перегрузки. Термовыключатели не требуют реле-усилителя.
Термовыключатели НЕ МОГУТ защитить от условий блокировки ротора.
Вернуться к оглавлению ↑
Как работает термовыключатель?
Кривая справа показывает зависимость сопротивления от температуры для типичного термовыключателя. В зависимости от производителя термовыключателя кривая меняется.
TN обычно составляет около 150–160°C.
Сопротивление в зависимости от температуры для типичного термовыключателя
Вернуться к индексу ↑
Соединение
Соединение трехфазного двигателя со встроенным термовыключателем и реле перегрузки.
Обозначение TP на схеме
Защита по стандарту IEC 60034-11: TP 111 (медленная перегрузка) . Для работы с заблокированным ротором двигатель должен быть оснащен реле перегрузки.
Автоматическое повторное открытие (слева) и ручное повторное повторное (справа)
где:
- S1 — включение / выключение
- S2 — выключатель
- K 1 — контактор
- T — термический выключатель В мотории
- M — мотор
- MV — реле перегрузки
Тепловые выключатели могут быть загружены следующим образом:
U MAX = 250 В AC
I N = 1.5 A
I max = 5,0 A (ток включения и отключения)
Вернуться к индексу ↑
Термисторы – также встроены в обмотки
Второй тип внутренней защиты термисторы или датчики с положительным температурным коэффициентом (PTC) .
Термисторы встроены в обмотки двигателя и защищают двигатель от условий блокировки ротора, длительной перегрузки и высокой температуры окружающей среды.
Термическая защита достигается путем контроля температуры обмоток двигателя с помощью датчиков PTC.Если обмотки превышают номинальную температуру срабатывания, датчик подвергается быстрому изменению сопротивления относительно изменения температуры.
В результате этого изменения внутренние реле обесточивают катушку управления внешнего контактора отключения линии. По мере остывания двигателя и восстановления допустимой температуры обмотки двигателя сопротивление датчика снижается до уровня сброса.
В этот момент модуль сбрасывается автоматически, если он не был настроен для ручного сброса.Когда термисторы устанавливаются на концах катушки, термисторы могут быть классифицированы только как TP 111 . Причина в том, что термисторы не имеют полного контакта с концами катушки, и, следовательно, она не может среагировать так быстро, как если бы они были изначально встроены в обмотку.
Термистор / PTC
Термисторная система измерения температуры состоит из датчиков с положительным температурным коэффициентом (PTC), встроенных последовательно по три датчика — по одному между каждой фазой — и соответствующего полупроводникового электронного переключателя в закрытом модуле управления.Набор датчиков состоит из трех датчиков, по одному на фазу.
Защита PTC, встроенная в обмотки
Чувствительна только к температуре. Термистор должен быть подключен к цепи управления, которая может преобразовывать сигнал сопротивления, который снова должен отключать двигатель. Используется в трехфазных двигателях.
Сопротивление датчика остается относительно низким и постоянным в широком диапазоне температур и резко возрастает при заданной температуре или точке срабатывания.
Когда это происходит, датчик действует как твердотельный термовыключатель , а обесточивает контрольное реле .
Реле размыкает цепь управления машиной, отключая защищаемое оборудование.
Когда температура обмотки возвращается к безопасному значению, модуль разрешает ручной сброс.
Вернуться к оглавлению ↑
Ссылка // Grundfos — Motor Book (скачать здесь)
Обзор тепловых реле перегрузки оборудования и электрических цепей. Тепловое реле перегрузки в основном используется для защиты от перегрузки асинхронных двигателей.После того, как ток перегрузки проходит через термоэлемент, биметаллический лист нагревается и изгибается, чтобы толкнуть механизм действия, приводящий в действие контакт…
Каталог
I Что такое тепловое реле перегрузки?
Тепловые реле перегрузки — защитные электроприборы, используемые для защиты от перегрузки двигателей или другого электрического оборудования и электрических цепей.
Тепловое реле перегрузки в основном используется для защиты от перегрузки асинхронных двигателей.Его принцип работы это:
после того, как ток перегрузки проходит через термоэлемент, биметаллический лист нагревается и изгибается, чтобы толкнуть механизм действия для приведения в действие контакта, тем самым отключив цепь управления двигателем, чтобы остановить двигатель с питанием.
выключено, играя роль защиты от перегрузки. Поскольку передача тепла во время нагрева и изгиба биметаллического листа занимает много времени, тепловое реле перегрузки не может использоваться для защиты от короткого замыкания, а может использоваться только для защиты от перегрузки.
Тепловое реле перегрузки широко используется в качестве компонента защиты двигателя от перегрузки из-за его небольшого размера, простой конструкции и низкой стоимости.
II Состав теплового реле перегрузки
Тепловое реле перегрузки состоит из биметаллического листа , нагревательного элемента, механизма действия и контактной системы . Биметаллический лист изготавливается путем сварки двух слоев металлических листов с большой разницей в коэффициенте расширения. При использовании нагревательный элемент последовательно подключается к источнику питания двигателя, а контакт последовательно подключается в цепи управления катушкой контактора.
При перегрузке двигателя ток большой, из-за чего биметаллический лист нагревается и изгибается.
А через механизм действия подвижный контакт и статический контакт разъединяются, так что катушка контактора обесточивается, а двигатель отключается от источника питания.
Рис. 1. Структура теплового реле перегрузки
(1) Биметаллический лист : Биметаллический лист является наиболее важной частью теплового реле перегрузки.Он объединяет два металлических листа с разными коэффициентами линейного расширения путем механической прокатки.
При комнатной температуре (то есть до нагревания) все обычно плоское, как показано на рис. 2(а). При повышении температуры металлический лист 1 (называемый активным слоем ) с большим коэффициентом линейного расширения пытается увеличить расширение, в то время как металлический лист 2 с малым коэффициентом линейного расширения (называемый ведомым слоем ) ) может только сделать меньшее расширение.Поскольку два слоя материалов плотно соединены и не могут свободно растягиваться, биметаллический лист переходит из плоского состояния в согнутое, как показано на рис.
2(b). Таким образом, активный слой может расширяться немного больше, а управляемый слой расширяется меньше. По этой причине биметаллический лист может деформироваться при изгибе после нагрева.
Рисунок 2. Принцип работы биметаллической ленты
(2) Нагревательный элемент : Нагревательный элемент обычно изготавливается из медно-никелевого сплава, никель-хромового сплава или хромо-алюминиевого сплава и т. д., и его форма представляет собой нить, лист или ленту и т. д. Его функция заключается в использовании теплового эффекта, возникающего при прохождении электрического тока через резистивный нагревательный элемент, для приведения чувствительного элемента в движение.
(3) Контакты управления , коэффициенты действия контакты управления и системы действия или механизмы действия. В большинстве из них используется пружинный тип, тип пружины сжатия или механизм прыжков Lafee. Система действия часто оснащается устройством температурной компенсации, чтобы рабочие характеристики теплового реле перегрузки оставались практически неизменными в определенном диапазоне температур.
(4) Механизм сброса: Есть ручной сброс и автоматический сброс, которые можно свободно регулировать в соответствии с требованиями использования.
III Классификация тепловых реле перегрузки
В зависимости от количества фаз существует три типа реле тепловой перегрузки: однофазные реле тепловой перегрузки, двухфазные реле тепловой перегрузки и три реле тепловой перегрузки фазы . Каждый тип имеет различные спецификации и модели в зависимости от номинального тока нагревательного элемента.Трехфазные тепловые реле перегрузки часто используются в трехфазных двигателях переменного тока для защиты от перегрузки.
Трехфазные тепловые реле перегрузки по своим функциям бывают двух типов: без защиты фаз и с защитой фаз. 1. Характеристики защиты тепловое реле перегрузки, мы должны сначала выяснить взаимосвязь между током перегрузки двигателя и временем включения двигателя, когда допустимое повышение температуры не превышено.
Эта зависимость называется перегрузочной характеристикой двигателя.
Когда при работе двигателя возникает ток перегрузки, это неизбежно приводит к нагреву обмотки. Согласно соотношению теплового баланса несложно сделать вывод, что время проводимости двигателя обратно пропорционально квадрату его тока перегрузки при допустимом повышении температуры:
и Ток перегрузки
Чтобы адаптироваться к характеристикам перегрузки двигателя и играть роль защиты от перегрузки, тепловое реле перегрузки должно иметь обратнозависимую временную характеристику .По этой причине в тепловом реле перегрузки должен быть предусмотрен резистивный нагревательный элемент. Таким образом, тепловой эффект, создаваемый током перегрузки через резистивный нагревательный элемент, используется для срабатывания чувствительного элемента, тем самым вызывая действие контакта для завершения защиты.
Соотношение между током перегрузки, проходящим через тепловое реле перегрузки, и временем срабатывания контакта теплового реле перегрузки называется характеристикой защиты реле тепловой перегрузки, как показано на кривой 2 на рисунке 3.
С учетом влияния различных ошибок характеристика перегрузки двигателя и характеристика защиты реле представляет собой не одну кривую, а полосу. Очевидно, чем больше ошибка, тем шире ремешок; чем меньше погрешность, тем уже ремешок.
Из кривой 1 на рисунке видно, что при перегрузке двигателя безопасно работать под кривой 1. Поэтому характеристики защиты теплового реле перегрузки должны быть рядом с характеристиками перегрузки двигателя.Таким образом, в случае перегрузки тепловое реле перегрузки сработает до того, как двигатель достигнет допустимого предела перегрузки, и отключит питание двигателя, чтобы предотвратить его повреждение.
2. Другие основные характеристики
(1) Контакт управления
Нормально разомкнутые и нормально замкнутые контакты теплового реле перегрузки должны иметь возможность управлять цепью катушки контактора переменного тока более 1000 раз при заданном рабочем токе.
(2) Ампер-секундные характеристики
Это также называется токо-временной характеристикой, которая представляет собой зависимость между временем срабатывания и протекающим током теплового реле перегрузки и обычно является обратной временной характеристикой. . Чтобы надежно реализовать защиту двигателя от перегрузки, ампер-секундная характеристика теплового реле перегрузки должна быть ниже допустимой характеристики перегрузки двигателя.
(3) Регулировка тока
Диапазон регулировки тока реле тепловой перегрузки обычно составляет от 66 % до 100 %, а максимальное значение составляет от 50 % до 100 %.
(4) Температурная компенсация
Чтобы уменьшить ошибку действия, вызванную изменением температуры окружающей среды, необходимо принять меры по температурной компенсации.
(5) Время сброса
Время автоматического сброса теплового реле перегрузки должно быть не более 5 мин, а время ручного сброса должно быть не более 2 мин.
(6) Термическая стойкость
Термическая стойкость – это способность выдерживать ток перегрузки по току . Требования к термической стабильности для термоэлемента: при максимальном токе уставки, 10-кратный максимальный ток уставки применяется к номинальному току 100 А и ниже, и 8-кратный максимальный ток уставки применяется при токе уставки выше 100 А. После этого тепловое реле перегрузки должно надежно сработать 5 раз.
В Причины срабатывания реле тепловой перегрузки
Срабатывание реле тепловой перегрузки в основном вызвано перегрузкой или неправильным выбором .Тепловое реле перегрузки используется для защиты электроприборов от перегрузки. Дизайн должен соответствовать электроприборам. Если тепловое реле перегрузки слишком маленькое или электрическое оборудование имеет сопротивление, перегрузка часто срабатывает. После срабатывания теплового реле перегрузки контактор обесточится и сработает.
Другие причины:
(1) Установочное значение теплового реле перегрузки слишком мало;
(2) Слишком большой ток нагрузки двигателя, возможно короткое замыкание между витками или передаточная часть двигателя не гибкая;
(3) Недостаточное качество теплового реле перегрузки или плохой контакт контактов.
(4) Недостаточное качество контактора или плохой контакт контактов.
VI Как сбросить тепловое реле перегрузки после срабатывания
Существует два способа сброса теплового реле перегрузки: ручной сброс и автоматический сброс.
1. Ручной сброс
После срабатывания защиты от перегрузки реле тепловой перегрузки необходимо вручную нажать кнопку сброса, чтобы нормально замкнутый контакт вернулся в замкнутое состояние.Ручной сброс должен быть выполнен через 2-3 минуты после отключения, так как внутренний изгибающийся нагревательный лист нуждается в охлаждении.
2. Автоматический сброс
После срабатывания защиты реле тепловой перегрузки нормально замкнутый контакт автоматически замыкается, и время автоматического сброса обычно не превышает 5 минут.
Метод сброса можно выбрать с помощью регулировочного винта сброса.
Вставьте прямую отвертку в регулировочное отверстие на нижней стороне теплового реле перегрузки и затяните регулировочный винт сброса по часовой стрелке (до конца), что является методом автоматического сброса.Если ослабить регулировочный винт сброса против часовой стрелки, так что винт отвинчивается на определенное расстояние, то происходит ручной сброс.
Новое тепловое реле перегрузки обычно имеет кнопку регулировки на верхней крышке. Когда кнопка регулировки повернута на H , выполняется ручной сброс, а когда кнопка регулировки повернута на A , происходит автоматический сброс.
Рис.
4. Ручной сброс и автоматический сброс неисправность обрабатывается, реле тепловой перегрузки обычно устанавливается в режим ручного сброса.
VII Меры предосторожности при использовании
(1) Тепловое реле перегрузки можно использовать только для защиты двигателя от перегрузки и обрыва фазы, но не для защиты от короткого замыкания.
(2) Выбор места установки.
● Разница температур между местом установки теплового реле перегрузки и защищаемым оборудованием не должна быть слишком большой;
● В месте установки не должно быть источников вибрации;
● когда тепловое реле перегрузки установлено с другими электрическими приборами, чтобы другие нагревательные приборы не влияли на его рабочие характеристики, его следует устанавливать ниже.
(3) Направление установки теплового реле перегрузки должно соответствовать указанному в руководстве по эксплуатации, а отклонение не должно превышать 5°.
(4) Соединительный провод, используемый для теплового реле перегрузки, должен соответствовать спецификациям. Если поперечное сечение соединительного провода слишком мало, осевая теплопередача будет медленной, и тепловое реле перегрузки выйдет из строя. Если соединительный провод слишком толстый, осевая теплопроводность будет быстрой, а тепловое реле перегрузки будет действовать медленно или отказываться двигаться.
Материал провода обычно медь , если используется провод с алюминиевым сердечником, концы должны быть залужены.
(5) Крепежные винты теплового реле перегрузки должны быть затянуты, в противном случае контактное сопротивление и температура нагревательного элемента возрастут, что приведет к неисправности теплового реле перегрузки.
(6) Реле тепловой перегрузки с автоматическим сбросом должно быть установлено в автоматическое положение, и оно автоматически сбрасывается через 3-5 минут после срабатывания защиты.
Для реле тепловой перегрузки с ручным сбросом кнопку сброса следует нажимать после срабатывания защиты.
VIII Причины бездействия или неисправности
Причины бездействия или неисправности теплового реле перегрузки следующие:
1.
Причины бездействия
Причина бездействия отказ теплового реле перегрузки может быть:
(1) значение текущей настройки слишком велико;
(2) термоэлемент сгорел или отклеился;
(3) механизм заедает или пряжка отваливается.
(4) При ремонте ток уставки можно отрегулировать соответствующим образом в соответствии с грузоподъемностью, а тепловой элемент или механизм действия можно отремонтировать.
2.
Причины неисправности
Возможные причины:
(1) текущее значение настройки слишком мало;
(2) тепловое реле перегрузки не согласовано с нагрузкой;
(3) слишком большое время пуска двигателя или слишком много непрерывных пусков;
(4) линия или нагрузка протекает или имеет короткое замыкание;
(5) Тепловое реле перегрузки подвергается сильным ударам или вибрации.
Во время технического обслуживания необходимо выяснить причины и в разумных пределах отрегулировать уставку тока или заменить тепловое реле перегрузки, соответствующее нагрузке.
Если двигатель или цепь неисправны, необходимо отремонтировать двигатель и цепь питания; если в рабочей среде слишком много вибраций, следует использовать тепловое реле перегрузки с антивибрационным устройством.
IX Как выбрать тепловое реле перегрузки
1. В принципе, характеристика ампер-секунд теплового реле перегрузки должна быть как можно ближе или даже совпадать с характеристикой перегрузки двигателя, или по перегрузочной характеристике двигателя.И в то же время тепловое реле перегрузки не должно срабатывать (никакого действия) в момент кратковременной перегрузки и пуска двигателя.
2. Когда тепловые реле перегрузки используются для защиты двигателей при длительной работе или прерывистой длительной работе , они обычно выбираются в соответствии с номинальным током двигателя.
Например, значение уставки теплового реле перегрузки может быть равно 0,95-1,05-кратному номинальному току двигателя, или среднее значение уставки тока реле тепловой перегрузки может быть равно номинальному току двигателя, а потом подстраиваться.
3. Когда реле тепловой перегрузки используется для защиты двигателя с повторяющимся кратковременным срабатыванием , реле тепловой перегрузки имеет только определенный диапазон адаптивности. Если за короткое время выполняется много операций, следует использовать тепловое реле перегрузки с быстродействующим трансформатором тока насыщения.
4. Для специального рабочего двигателя с положительным и обратным вращением и частым включением и выключением , тепловое реле перегрузки не должно использоваться в качестве устройства защиты от перегрузки, но должно быть защищено температурным реле или термистором, встроенным в обмотка двигателя.
%PDF-1.
7
%
2 0 объект
>
эндобдж
1055 0 объект
>поток
10.8758.375852018-10-15T19: 23: 47.190ZPDF-XChange Ядро API SDK (7.0.325.1) edf53ee07c0025661ff71587f658d6c13e4eb3c72873875PDF-XChange редактор 7.0.325.12018-09-22T10: 36: 05.000Z2018-09-22T10: 36: 05.000Zapplication / pdf2018- 10-17T13:29:09.417Zuuid:63c03b9c-bcb9-4a89-8dd8-b5c4810bc8aauuid:ea282df2-5629-4eca-b8a3-1202050c3f47PDF-XChange Core API SDK (7.0.325.1)
конечный поток
эндобдж
5 0 объект
>
эндобдж
6 0 объект
>
эндобдж
9 0 объект
>/Font>/ProcSet[/PDF/Text/ImageC/ImageI]/Properties>/XObject>>>/Rotate 0/TrimBox[0 0 603 783]/Type/Page>>
эндобдж
10 0 объект
>/ExtGState>/Font>/ProcSet[/PDF/Text/ImageC]/Properties>/XObject>>>/Rotate 0/TrimBox[0 0 603 783]/Type/Page>>
эндобдж
11 0 объект
>/ExtGState>/Font>/ProcSet[/PDF/Text/ImageC]/Properties>/XObject>>>/Rotate 0/TrimBox[0 0 603 783]/Type/Page>>
эндобдж
12 0 объект
>/ExtGState>/Font>/ProcSet[/PDF/Text/ImageC]/Properties>/XObject>>>/Rotate 0/TrimBox[0 0 603 783]/Type/Page>>
эндобдж
13 0 объект
>/ExtGState>/Font>/ProcSet[/PDF/Text/ImageC]/Properties>/XObject>>>/Rotate 0/TrimBox[0 0 603 783]/Type/Page>>
эндобдж
14 0 объект
>/Font>/ProcSet[/PDF/Text/ImageC]/Properties>/XObject>>>/Rotate 0/TrimBox[0 0 603 783]/Type/Page>>
эндобдж
15 0 объект
>/ExtGState>/Font>/ProcSet[/PDF/Text/ImageC]/Properties>/XObject>>>/Rotate 0/TrimBox[0 0 603 783]/Type/Page>>
эндобдж
16 0 объект
>/ExtGState>/Font>/ProcSet[/PDF/Text/ImageC]/Properties>/XObject>>>/Rotate 0/TrimBox[0 0 603 783]/Type/Page>>
эндобдж
17 0 объект
>/Font>/ProcSet[/PDF/Text]/Properties>/XObject>>>/Rotate 0/TrimBox[0 0 603 783]/Type/Page>>
эндобдж
18 0 объект
>/ExtGState>/Font>/ProcSet[/PDF/Text/ImageC]/XObject>>>/Rotate 0/TrimBox[0 0 603 783]/Type/Page>>
эндобдж
19 0 объект
>/Font>/ProcSet[/PDF/Text/ImageC/ImageI]/Properties>/XObject>>>/Rotate 0/TrimBox[0 0 603 783]/Type/Page>>
эндобдж
20 0 объект
>/Font>/ProcSet[/PDF/Text]/Properties>/XObject>>>/Rotate 0/TrimBox[0 0 603 783]/Type/Page>>
эндобдж
21 0 объект
>/Font>/ProcSet[/PDF/Text]/Properties>/XObject>>>/Rotate 0/TrimBox[0 0 603 783]/Type/Page>>
эндобдж
22 0 объект
>/Font>/ProcSet[/PDF/Text]/Properties>/XObject>>>/Rotate 0/TrimBox[0 0 603 783]/Type/Page>>
эндобдж
23 0 объект
>/Font>/ProcSet[/PDF/Text]/Properties>/XObject>>>/Rotate 0/TrimBox[0 0 603 783]/Type/Page>>
эндобдж
24 0 объект
>/ExtGState>/Font>/ProcSet[/PDF/Text]/Properties>/XObject>>>/Rotate 0/TrimBox[0 0 603 783]/Type/Page>>
эндобдж
25 0 объект
>/Font>/ProcSet[/PDF/Text]/Properties>/XObject>>>/Rotate 0/TrimBox[0 0 603 783]/Type/Page>>
эндобдж
26 0 объект
>/Font>/ProcSet[/PDF/Text/ImageC/ImageI]/Properties>/XObject>>>/Rotate 0/TrimBox[0 0 603 783]/Type/Page>>
эндобдж
27 0 объект
>/Font>/ProcSet[/PDF/Text]/Properties>/XObject>>>/Rotate 0/TrimBox[0 0 603 783]/Type/Page>>
эндобдж
28 0 объект
>/Font>/ProcSet[/PDF/Text]/Properties>/XObject>>>/Rotate 0/TrimBox[0 0 603 783]/Type/Page>>
эндобдж
29 0 объект
>/Font>/ProcSet[/PDF/Text]/Properties>/XObject>>>/Rotate 0/TrimBox[0 0 603 783]/Type/Page>>
эндобдж
30 0 объект
>/Font>/ProcSet[/PDF/Text/ImageC/ImageI]/Properties>/XObject>>>/Rotate 0/TrimBox[0 0 603 783]/Type/Page>>
эндобдж
31 0 объект
>/Font>/ProcSet[/PDF/Text/ImageC/ImageI]/Properties>/XObject>>>/Rotate 0/TrimBox[0 0 603 783]/Type/Page>>
эндобдж
32 0 объект
>/Font>/ProcSet[/PDF/Text]/Properties>/XObject>>>/Rotate 0/TrimBox[0 0 603 783]/Type/Page>>
эндобдж
33 0 объект
>/Font>/ProcSet[/PDF/Text]/Properties>/XObject>>>/Rotate 0/TrimBox[0 0 603 783]/Type/Page>>
эндобдж
34 0 объект
>/ExtGState>/Font>/ProcSet[/PDF/Text]/Properties>/XObject>>>/Rotate 0/TrimBox[0 0 603 783]/Type/Page>>
эндобдж
35 0 объект
>/Font>/ProcSet[/PDF/Text]/Properties>/XObject>>>/Rotate 0/TrimBox[0 0 603 783]/Type/Page>>
эндобдж
36 0 объект
>/Font>/ProcSet[/PDF/Text]/Properties>/XObject>>>/Rotate 0/TrimBox[0 0 603 783]/Type/Page>>
эндобдж
37 0 объект
>/Font>/ProcSet[/PDF/Text]/Properties>/XObject>>>/Rotate 0/TrimBox[0 0 603 783]/Type/Page>>
эндобдж
38 0 объект
>/Font>/ProcSet[/PDF/Text]/Properties>/XObject>>>/Rotate 0/TrimBox[0 0 603 783]/Type/Page>>
эндобдж
39 0 объект
>/Font>/ProcSet[/PDF/Text]/Properties>/XObject>>>/Rotate 0/TrimBox[0 0 603 783]/Type/Page>>
эндобдж
40 0 объект
>/ExtGState>/Font>/ProcSet[/PDF/Text/ImageC]/Properties>/XObject>>>/Rotate 0/TrimBox[0 0 603 783]/Type/Page>>
эндобдж
41 0 объект
>/Font>/ProcSet[/PDF/Text]/Properties>/XObject>>>/Rotate 0/TrimBox[0 0 603 783]/Type/Page>>
эндобдж
42 0 объект
>/ExtGState>/Font>/ProcSet[/PDF/Text/ImageC]/Properties>/XObject>>>/Rotate 0/TrimBox[0 0 603 783]/Type/Page>>
эндобдж
43 0 объект
>/ExtGState>/Font>/ProcSet[/PDF/Text/ImageC]/Properties>/XObject>>>/Rotate 0/TrimBox[0 0 603 783]/Type/Page>>
эндобдж
44 0 объект
>/Font>/ProcSet[/PDF/Text]/Properties>/XObject>>>/Rotate 0/TrimBox[0 0 603 783]/Type/Page>>
эндобдж
45 0 объект
>/ExtGState>/Font>/ProcSet[/PDF/Text]/Properties>/XObject>>>/Rotate 0/TrimBox[0 0 603 783]/Type/Page>>
эндобдж
46 0 объект
>/Font>/ProcSet[/PDF/Text]/Properties>/XObject>>>/Rotate 0/TrimBox[0 0 603 783]/Type/Page>>
эндобдж
47 0 объект
>/Font>/ProcSet[/PDF/Text]/Properties>/XObject>>>/Rotate 0/TrimBox[0 0 603 783]/Type/Page>>
эндобдж
48 0 объект
>/ExtGState>/Font>/ProcSet[/PDF/Text]/Properties>/XObject>>>/Rotate 0/TrimBox[0 0 603 783]/Type/Page>>
эндобдж
49 0 объект
>/ExtGState>/Font>/ProcSet[/PDF/Text]/Properties>/XObject>>>/Rotate 0/TrimBox[0 0 603 783]/Type/Page>>
эндобдж
50 0 объект
>/ExtGState>/Font>/ProcSet[/PDF/Text]/Properties>/XObject>>>/Rotate 0/TrimBox[0 0 603 783]/Type/Page>>
эндобдж
51 0 объект
>/Font>/ProcSet[/PDF/Text]/Properties>/XObject>>>/Rotate 0/TrimBox[0 0 603 783]/Type/Page>>
эндобдж
52 0 объект
>/ExtGState>/Font>/ProcSet[/PDF/Text]/Properties>/XObject>>>/Rotate 0/TrimBox[0 0 603 783]/Type/Page>>
эндобдж
53 0 объект
>/ExtGState>/Font>/ProcSet[/PDF/Text]/Properties>/XObject>>>/Rotate 0/TrimBox[0 0 603 783]/Type/Page>>
эндобдж
54 0 объект
>/ExtGState>/Font>/ProcSet[/PDF/Text]/Properties>/XObject>>>/Rotate 0/TrimBox[0 0 603 783]/Type/Page>>
эндобдж
55 0 объект
>/Font>/ProcSet[/PDF/Text]/Properties>/XObject>>>/Rotate 0/TrimBox[0 0 603 783]/Type/Page>>
эндобдж
56 0 объект
>/ExtGState>/Font>/ProcSet[/PDF/Text]/Properties>/XObject>>>/Rotate 0/TrimBox[0 0 603 783]/Type/Page>>
эндобдж
57 0 объект
>/Font>/ProcSet[/PDF/Text/ImageC]/Properties>/XObject>>>/Rotate 0/TrimBox[0 0 603 783]/Type/Page>>
эндобдж
58 0 объект
>/Font>/ProcSet[/PDF/Text/ImageC]/Properties>/XObject>>>/Rotate 0/TrimBox[0 0 603 783]/Type/Page>>
эндобдж
59 0 объект
>/ExtGState>/Font>/ProcSet[/PDF/Text]/Properties>/XObject>>>/Rotate 0/TrimBox[0 0 603 783]/Type/Page>>
эндобдж
60 0 объект
>/ExtGState>/Font>/ProcSet[/PDF/Text/ImageC]/Properties>/XObject>>>/Rotate 0/TrimBox[0 0 603 783]/Type/Page>>
эндобдж
61 0 объект
>/Font>/ProcSet[/PDF/Text]/Properties>/XObject>>>/Rotate 0/TrimBox[0 0 603 783]/Type/Page>>
эндобдж
62 0 объект
>/ExtGState>/Font>/ProcSet[/PDF/Text/ImageC]/Properties>/XObject>>>/Rotate 0/TrimBox[0 0 603 783]/Type/Page>>
эндобдж
63 0 объект
>/ExtGState>/Font>/ProcSet[/PDF/Text/ImageC]/Properties>/XObject>>>/Rotate 0/TrimBox[0 0 603 783]/Type/Page>>
эндобдж
64 0 объект
>/ExtGState>/Font>/ProcSet[/PDF/Text/ImageC]/Properties>/XObject>>>/Rotate 0/TrimBox[0 0 603 783]/Type/Page>>
эндобдж
65 0 объект
>/ExtGState>/Font>/ProcSet[/PDF/Text/ImageC]/Properties>/XObject>>>/Rotate 0/TrimBox[0 0 603 783]/Type/Page>>
эндобдж
66 0 объект
>/Font>/ProcSet[/PDF/Text]/Properties>/XObject>>>/Rotate 0/TrimBox[0 0 603 783]/Type/Page>>
эндобдж
67 0 объект
>/Font>/ProcSet[/PDF/Text]/Properties>/XObject>>>/Rotate 0/TrimBox[0 0 603 783]/Type/Page>>
эндобдж
68 0 объект
>/Font>/ProcSet[/PDF/Text]/Properties>/XObject>>>/Rotate 0/TrimBox[0 0 603 783]/Type/Page>>
эндобдж
69 0 объект
>/ExtGState>/Font>/ProcSet[/PDF/Text/ImageC]/Properties>/XObject>>>/Rotate 0/TrimBox[0 0 603 783]/Type/Page>>
эндобдж
70 0 объект
>/Font>/ProcSet[/PDF/Text]/Properties>/XObject>>>/Rotate 0/TrimBox[0 0 603 783]/Type/Page>>
эндобдж
71 0 объект
>/ExtGState>/Font>/ProcSet[/PDF/Text/ImageC]/Properties>/XObject>>>/Rotate 0/TrimBox[0 0 603 783]/Type/Page>>
эндобдж
72 0 объект
>/ExtGState>/Font>/ProcSet[/PDF/Text]/Properties>/XObject>>>/Rotate 0/TrimBox[0 0 603 783]/Type/Page>>
эндобдж
73 0 объект
>/ExtGState>/Font>/ProcSet[/PDF/Text]/Properties>/XObject>>>/Rotate 0/TrimBox[0 0 603 783]/Type/Page>>
эндобдж
74 0 объект
>/ExtGState>/Font>/ProcSet[/PDF/Text]/Properties>/XObject>>>/Rotate 0/TrimBox[0 0 603 783]/Type/Page>>
эндобдж
75 0 объект
>/ExtGState>/Font>/ProcSet[/PDF/Text]/Properties>/XObject>>>/Rotate 0/TrimBox[0 0 603 783]/Type/Page>>
эндобдж
76 0 объект
>/ExtGState>/Font>/ProcSet[/PDF/Text]/Properties>/XObject>>>/Rotate 0/TrimBox[0 0 603 783]/Type/Page>>
эндобдж
77 0 объект
>/ExtGState>/Font>/ProcSet[/PDF/Text]/Properties>/XObject>>>/Rotate 0/TrimBox[0 0 603 783]/Type/Page>>
эндобдж
78 0 объект
>/ExtGState>/Font>/ProcSet[/PDF/Text]/Properties>/XObject>>>/Rotate 0/TrimBox[0 0 603 783]/Type/Page>>
эндобдж
79 0 объект
>/ExtGState>/Font>/ProcSet[/PDF/Text]/Properties>/XObject>>>/Rotate 0/TrimBox[0 0 603 783]/Type/Page>>
эндобдж
80 0 объект
>/ExtGState>/Font>/ProcSet[/PDF/Text]/Properties>/XObject>>>/Rotate 0/TrimBox[0 0 603 783]/Type/Page>>
эндобдж
81 0 объект
>/Font>/ProcSet[/PDF/Text/ImageC]/Properties>/XObject>>>/Rotate 0/TrimBox[0 0 603 783]/Type/Page>>
эндобдж
82 0 объект
>/Font>/ProcSet[/PDF/Text/ImageC]/Properties>/XObject>>>/Rotate 0/TrimBox[0 0 603 783]/Type/Page>>
эндобдж
83 0 объект
>/Font>/ProcSet[/PDF/Text/ImageC]/Properties>/XObject>>>/Rotate 0/TrimBox[0 0 603 783]/Type/Page>>
эндобдж
84 0 объект
>/Font>/ProcSet[/PDF/Text/ImageC]/Properties>/XObject>>>/Rotate 0/TrimBox[0 0 603 783]/Type/Page>>
эндобдж
85 0 объект
>/Font>/ProcSet[/PDF/Text/ImageC]/Properties>/XObject>>>/Rotate 0/TrimBox[0 0 603 783]/Type/Page>>
эндобдж
86 0 объект
>/Font>/ProcSet[/PDF/Text/ImageC]/Properties>/XObject>>>/Rotate 0/TrimBox[0 0 603 783]/Type/Page>>
эндобдж
87 0 объект
>/Font>/ProcSet[/PDF/Text/ImageC]/Properties>/XObject>>>/Rotate 0/TrimBox[0 0 603 783]/Type/Page>>
эндобдж
88 0 объект
>/Font>/ProcSet[/PDF/Text/ImageC]/Properties>/XObject>>>/Rotate 0/TrimBox[0 0 603 783]/Type/Page>>
эндобдж
89 0 объект
>/ExtGState>/Font>/ProcSet[/PDF/Text/ImageC/ImageI]/Properties>/XObject>>>/Rotate 0/TrimBox[0 0 603 783]/Type/Page>>
эндобдж
90 0 объект
>/Font>/ProcSet[/PDF/Text/ImageC]/Properties>/XObject>>>/Rotate 0/TrimBox[0 0 603 783]/Type/Page>>
эндобдж
91 0 объект
>/Font>/ProcSet[/PDF/Text/ImageC]/Properties>/XObject>>>/Rotate 0/TrimBox[0 0 603 783]/Type/Page>>
эндобдж
92 0 объект
>/Font>/ProcSet[/PDF/Text/ImageC]/Properties>/XObject>>>/Rotate 0/TrimBox[0 0 603 783]/Type/Page>>
эндобдж
93 0 объект
>/Font>/ProcSet[/PDF/Text/ImageC]/Properties>/XObject>>>/Rotate 0/TrimBox[0 0 603 783]/Type/Page>>
эндобдж
734 0 объект
>поток
HWIo cw.
վSZbLe.Aotr5>ӓwӷ焑 t9|`|C~/oBq,;aSl0}LsCK&QL|7GYNnw𥅤)LW)V
Автономные копии тестов по главам – Базовое управление двигателем
Вопросы
Используя приведенную выше диаграмму, ответьте на вопросы с 1 по 5:
- Какой буквой обозначен компонент, который обычно обеспечивает защиту от перегрузки по току для ответвленной цепи двигателя?
- Какой буквой обозначается компонент, который обычно обеспечивает защиту от перегрузки для ответвленной цепи двигателя?
- При подаче питания от цепи управления, какая буква обозначает компонент, обеспечивающий нормальный пуск и останов?
- Между какими двумя буквами обычно берется питание цепи управления?
- Какие буквы обозначают устройства, мощность которых должна быть указана в лошадиных силах?
- Термическая перегрузка типа плавления сплава называется:
- Реле припоя
- Реле приборной панели
- Тепловое реле
- Биметаллическое реле
- Частью ручного пускателя электродвигателя переменного тока, которая определяет ток перегрузки электродвигателя, является:
- Верхний концевой выключатель
- Припой в сборе
- Контакт перегрузки
- Нагревательный элемент
- Если автоматический запуск после сбоя питания представляет угрозу безопасности для моторного привода, он должен быть оборудован:
- Расцепитель низкого напряжения
- Мигающий красный свет
- Защита от низкого напряжения
- Предупреждающий знак
- Реле перегрузки, в котором используется полоса из разнородных металлов, называется _______ реле.

- Плавкий сплав
- Термистор
- Бачок для припоя
- Биметаллический
- Ссылаясь на рисунок, предполагая, что предохранитель C перегорел, в какой паре точек показания будут нулевыми, если к ним подключить вольтметр?
- Для подключения двигателя исключительно для работы в толчковом режиме схема управления будет:
- Используйте удерживающие контакты
- Соединить удерживающие контакты последовательно с кнопкой пуска
- Подключить удерживающие контакты параллельно кнопке пуска
- Не использовать удерживающие контакты
- — лучший способ обеспечить заглушку двигателя.Правда или ложь?
- Электрические блокировки в реверсивном магнитном пускателе:
- Управляется реле времени, необходимым для работы схемы
- Параллельно с кнопками прямого и обратного хода
- Нормально замкнутые контакты
- Нормально разомкнутые контакты
- Защита двигателей от перегрузки достигается подключением:
- Термочувствительные элементы последовательно с двигателем
- Реле сброса последовательно с двигателем
- Патронные предохранители последовательно с двигателем
- Набор Н.
C контакты последовательно с двигателем
- С трехпроводной схемой управления, когда питание восстанавливается после ситуации с низким напряжением:
- Оператор должен перезапустить двигатель
- Двигатель будет многофазным
- Двигатель автоматически перезапустится
- Двигатель автоматически перезапустится после временной задержки
Реле времени
Ответы
- Б
- Д
- С
- В и С
- А и С
- А
- Д
- С
- А
- 3 и 6
- Д
- Ложь
- С
- А
- А
Вопросы
- В цепи управления двигателем с несколькими станциями кнопок пуска/пуска кнопки останова будут подключены к ______, а кнопки пуска будут подключены к _______.
- Для устранения неполадок в электрической цепи управления лучше всего использовать следующий чертеж:
- Схема
- Проводка
- Иллюстрированный
- Подставка
- Ниже показана кнопка с двойным контактом.
При подключении в качестве пусковой кнопки в цепи управления магнитного пускателя какая пара клемм обычно используется? - — лучший способ обеспечить заглушку двигателя. Правда или ложь?
Реле времени
Ответы
- Серия, параллельная
- А
- 3 и 4
- Ложь
Вопросы
- Минимальное количество проводников цепи управления к кнопочной станции остановки/вперед/назад, которая обеспечивает защиту от низкого напряжения для трехфазного реверсивного двигателя, составляет:
- 2 провода
- 3 провода
- 4 провода
- 6 проводов
- Какой из следующих типов пускателя двигателя обычно не обеспечивает защиту двигателя от работы?
- Магнитный пускатель
- Пускатель с кнопкой
- Тумблерный пускатель
- Контроллер барабанного переключателя
- Если схема на чертеже работала нормально и произошла перегрузка, то:
- Загорелись бы оба индикатора
- Загорится зеленый свет, а красный погаснет
- Обе лампочки погаснут
- Загорится красный свет, а зеленый погаснет
- С трехпроводной схемой управления, когда питание восстанавливается после ситуации с низким напряжением:
- Двигатель автоматически перезапустится после временной задержки
- Двигатель автоматически перезапустится
- Оператор должен перезапустить двигатель
- Двигатель будет многофазным
- Тепловая перегрузка типа плавления сплава называется:
- Реле припоя
- Тепловое реле
- Биметаллическое реле
- Реле приборной панели
- Стартер мощностью 10 л.
с., 600 В, если он используется с двигателем на 120 В, скорее всего, будет рассчитан на:- 2 л.с.
- 3 л.с.
- 10 л.с.
- 2.5 л.с.
- Размыкающий контакт будет разомкнут сразу после обесточивания катушки. Правда или ложь?
- Реле перегрузки, в котором используется полоса из разнородных металлов, называется _______ реле.
- Термистор
- Плавкий сплав
- Бачок для припоя
- Биметаллический
- Для катушки постоянного напряжения не требуется экранирующая катушка. Правда или ложь?
- Защита двигателей от перегрузки достигается подключением:
- Набор Н.C контакты последовательно с двигателем
- Термочувствительные элементы последовательно с двигателем
- Патронные предохранители последовательно с двигателем
- Реле сброса последовательно с двигателем
- Частью ручного пускателя электродвигателя переменного тока, которая определяет ток перегрузки электродвигателя, является:
- Контакт перегрузки
- Припой в сборе
- Нагревательный элемент
- Верхний концевой выключатель
- Существенное различие между магнитным пускателем двигателя и магнитным контактором заключается в том, что контактор не содержит:
- Затеняющие катушки
- Удерживающие контакты
- Релейная защита от перегрузки
- Контакты, рассчитанные на мощность
- Вращение трехфазного асинхронного двигателя переменного тока можно изменить на противоположное, поменяв местами:
- Цепь управления
- Блокировка прямого/обратного хода
- Катушки переднего и заднего хода
- Любые две линии электропередач
- Если магнитный контактор переменного тока с катушкой 480В был запитан 120В, то скорее всего:
- Реле перегрузки сработает
- Контактор не срабатывает
- Перегорают предохранители цепи управления
- Катушка перегревалась бы при нормальной работе
- На схеме управления пунктирная линия между двумя катушками обычно означает, что эти две катушки:
- Работают совместно
- Механически сблокированы
- Имеют электрическую блокировку
- Иметь общий набор контактов
- При нормальной работе из корпуса магнитного пускателя переменного тока слышен громкий стук.
Какова наиболее вероятная причина?- Сломанная затеняющая катушка
- Обрыв в цепи пломбирования
- Ржавчина на торцах опор
- Силовой контакт не имеет хорошего контакта из-за плохого давления
- Назначение электрической блокировки в трехфазном реверсивном магнитном пускателе двигателя переменного тока:
- Убедитесь, что сначала выбрано прямое направление вращения
- Разрешить одновременное питание обеих катушек
- Предотвращение одновременного включения обеих катушек
- Сохранить цепь катушки после отпускания кнопки останова
- Ниже показана кнопка с двойным контактом.При подключении в качестве пусковой кнопки в цепи управления магнитного пускателя какая пара клемм обычно используется?
- Реле с выдержкой времени включает в себя контакты как с выдержкой времени, так и с мгновенными контактами. Правда или ложь?
- Вставьте пропущенные слова.
Электрические блокировки реверсивного пускателя обычно представляют собой _______ контакты - НО контакт будет замкнут, пока катушка реле находится под напряжением. Правда или ложь?
- Обозначение N.C.T.O относится к таймеру задержки выключения.Правда или ложь?
- Электрические блокировки в реверсивном магнитном пускателе:
- Нормально замкнутые контакты
- Нормально разомкнутые контакты
- Параллельно с кнопками прямого и обратного хода
- Управляется реле времени, необходимым для работы схемы
.
Ответы
- Д
- С
- Д
- С
- А
- А
- Ложь
- Д
- Правда
- Б
- С
- С
- Д
- Б
- Б
- А
- С
- 3 и 4
- Правда
- закрыто
- Правда
- Ложь
- А
Вопросы
Используя приведенную выше диаграмму, ответьте на вопросы с 1 по 5:
- Какой буквой обозначен компонент, который обычно обеспечивает защиту от перегрузки по току для ответвленной цепи двигателя?
- Какой буквой обозначается компонент, который обычно обеспечивает защиту от перегрузки для ответвленной цепи двигателя?
- При подаче питания от цепи управления, какая буква обозначает компонент, обеспечивающий нормальный пуск и останов?
- Между какими двумя буквами обычно берется питание цепи управления?
- Какие буквы обозначают устройства, мощность которых должна быть указана в лошадиных силах?
- В схеме управления двигателем с несколькими станциями кнопок пуска/пуска кнопки останова будут подключены к ______, а кнопки пуска будут подключены к _______.

- Для устранения неполадок в электрической цепи управления лучше всего использовать следующий чертеж:
- Схема
- Иллюстрированный
- Проводка
- Подставка
- Чертеж, показывающий взаимное расположение различных компонентов, представляет собой:
- Схема подключения
- Принципиальная схема
- Элементарная схема
- Лестничная схема
- Ссылаясь на следующий рисунок, какое количество проводов требуется там, где это указано?
Ответы
- Б
- Д
- С
- В и С
- А и С
- , параллельная
- А
- А
- 3
Серия
Вопросы
Используя следующую схему, ответьте на вопросы с 1 по 5:
- Какой буквой обозначен компонент, который обычно обеспечивает защиту от перегрузки по току для ответвленной цепи двигателя?
- Какой буквой обозначается компонент, который обычно обеспечивает защиту от перегрузки для ответвленной цепи двигателя?
- При подаче питания от цепи управления, какая буква обозначает компонент, обеспечивающий нормальный пуск и останов?
- Между какими двумя буквами обычно берется питание цепи управления?
- Какие буквы обозначают устройства, мощность которых должна быть указана в лошадиных силах?
- Минимальное количество проводников цепи управления к кнопочной станции остановки/вперед/назад, которая обеспечивает защиту от низкого напряжения для трехфазного реверсивного двигателя:
- 2 провода
- 3 провода
- 4 провода
- 6 проводов
- Толчковый режим — это еще один термин, используемый для:
- Бег
- Заглушка
- Маневровый
- Охота
- Вращение трехфазного асинхронного двигателя переменного тока можно изменить на противоположное, поменяв местами:
- Цепь управления
- Блокировка прямого/обратного хода
- Катушки переднего и заднего хода
- Любые две линии электропередач
- На схеме управления пунктирная линия между двумя катушками обычно означает, что эти две катушки:
- Работают совместно
- Механически сблокированы
- Имеют электрическую блокировку
- Иметь общий набор контактов
- Назначение электрической блокировки в трехфазном реверсивном магнитном пускателе двигателя переменного тока:
- Убедитесь, что сначала выбрано прямое направление вращения
- Разрешить одновременное питание обеих катушек
- Предотвращение одновременного включения обеих катушек
- Сохранить цепь катушки после отпускания кнопки останова
- Для подключения двигателя исключительно для работы в толчковом режиме схема управления будет:
- Используйте удерживающие контакты
- Соединить удерживающие контакты последовательно с кнопкой пуска
- Подключить удерживающие контакты параллельно кнопке пуска
- Не использовать удерживающие контакты
- Что касается чертежа, наилучшей меткой для кнопки с надписью «Z» будет:
- Стоп
- Джог
- Выполнить
- Сброс
- Что касается чертежа, наилучшей меткой для кнопки «Y» будет:
- Стоп
- Джог
- Выполнить
- Сброс
Используйте следующее изображение, чтобы ответить на вопросы 14 и 15.
- Какое минимальное количество проводников цепи управления требуется в кабелепроводе А?
- 2 провода
- 3 провода
- 4 провода
- 5 проводов
- Какое минимальное количество проводников цепи управления требуется в кабелепроводе B?
- 2 провода
- 3 провода
- 4 провода
- 5 проводов
- Реле времени — лучший способ обеспечить глушение двигателя.Правда или ложь?
- Реле с выдержкой времени включает в себя контакты как с выдержкой времени, так и с мгновенными контактами. Правда или ложь?
- Размыкающий контакт будет разомкнут сразу после обесточивания катушки. Правда или ложь?
- НО контакт будет замкнут, пока катушка реле находится под напряжением. Правда или ложь?
- Обозначение N.C.T.O относится к таймеру задержки выключения. Правда или ложь?
- Электрические блокировки в реверсивном магнитном пускателе:
- Нормально замкнутые контакты
- Нормально разомкнутые контакты
- Параллельно с кнопками прямого и обратного хода
- Управляется реле времени, необходимым для работы схемы
- Защита двигателей от перегрузки достигается подключением:
- Термочувствительные элементы последовательно с двигателем
- Реле сброса последовательно с двигателем
- Патронные предохранители последовательно с двигателем
- Набор Н.
C контакты последовательно с двигателем
- Бег трусцой относится к:
- Двигатель, не способный развивать постоянный крутящий момент
- Многофазный двигатель
- Двигатель, который периодически запускается и останавливается
- Метод, используемый для остановки двигателя для точного позиционирования
Ответы
- Б
- Д
- С
- В и С
- А и С
- С
- А
- Д
- Б
- С
- Д
- Б
- С
- ?
- С
- Ложь
- Правда
- Ложь
- Правда
- Ложь
- А
- А
- Д
- Чертеж, показывающий взаимное расположение различных компонентов, представляет собой:
- Схема подключения
- Принципиальная схема
- Элементарная схема
- Лестничная схема
- Для обеспечения безопасности при обслуживании выключатель двигателя должен быть заблокирован в положении «ВЫКЛ».
После окончания ремонтных работ замок снимается:- Супервайзер
- Менеджер проекта
- Человек, поставивший замок на
- Ведущая рука
- Что касается безопасности работников, «изоляция» означает:
- Переезд в удаленное место
- Отключение от всех источников энергии
- Выключить электрический выключатель
- Ограждение рабочей площадки
- Ссылаясь на рисунок, предполагая, что предохранитель C перегорел, в какой паре точек показания будут нулевыми, если к ним подключить вольтметр?
- Средства разъединения, которые НЕ предназначены для прерывания протекания тока, это:
- Выключатель двигателя
- Переключатель общего назначения
- Разъединитель
- Автоматический выключатель
- Если схема на чертеже работала нормально и произошла перегрузка, то:
- Загорелись бы оба индикатора
- Загорится зеленый свет, а красный погаснет
- Обе лампочки погаснут
- Загорится красный свет, а зеленый погаснет
- При нормальной работе из корпуса магнитного пускателя переменного тока слышен громкий стук.
Какова наиболее вероятная причина?- Сломанная затеняющая катушка
- Обрыв в цепи пломбирования
- Ржавчина на торцах опор
- Силовой контакт не имеет хорошего контакта из-за плохого давления
- Если цепь управления, показанная ниже, сработала из-за перегрузки, то какое из показанных положений вольтметра будет показывать напряжение в сети?
- ВМ А
- ВМ Б
- ВМ С
- ВМ Д
- Какое минимальное количество проводников цепи управления требуется в кабелепроводе А?
- 2 провода
- 3 провода
- 4 провода
- 5 проводов
- В качестве разъединителя цепи питания двигателя можно использовать разъединитель.Правда или ложь?
Используйте следующее изображение, чтобы ответить на вопросы 11 и 12.
- Если пускатель двигателя на чертеже включен и работает нормально, какое напряжение должно быть на нормально разомкнутом контакте (M)?
- Напряжение сети
- Нулевое напряжение
- Половина сетевого напряжения
- Удвоенное линейное напряжение
- Если пускатель двигателя на чертеже включен и работает нормально, каким должно быть напряжение на N.
С контакт (М)?- Напряжение сети
- Нулевое напряжение
- Половина сетевого напряжения
- Удвоенное линейное напряжение
Ответы
- А
- С
- Б
- 3 и 6
- С
- Д
- А
- ?
- ?
- Ложь
- Б
- А
| ||||||||||||||||||||
Схема блока предохранителей Audi A6 C5 (Avant) и реле с назначением и расположением
В нашей статье представлена информация о блоках реле и предохранителей Audi A6 C5 с их схемами, обозначением элементов и расположением блоков.Audi A6 второго поколения выпускался в кузовах седан и универсал (Avant) в 1997, 1998, 1999, 2000, 2001, 2002, 2003 и 2004 годах и обозначался серией как C5.
Местоположение
- 3-дюймовый монтажный ящик
- 8-дюймовый монтажный ящик
- Central Switchgear с релейной коробкой
- Главный предохранитель Box
- 13-слот монтажный блок
- Монтажный блок в коробке пленум
перед заменой предохранитель, необходимо отключить соответствующую нагрузку и выключить зажигание.
3-дюймовый монтажный бокс
диаграмма
Обозначение
Обозначение
RELALE — J359 DROKE SERVO RELAY — J569
FUSE 2 — S143 FUSE гидравлический предохранитель (Бустер тормозных тормозов) — S279
Предохранитель топливного насоса — S81 (RS6 LHD)
Предохранитель насоса — S109 Предохранитель топливного насоса — S81 (RS6 RHD)
8-слот для монтажа
Этот релейный блок расположен за центральным распределительным устройством.
Вот его схема.
Назначение
| 1 | RELAY для электромагнитных клапанов — ABS с ESP — J106 | ||
| 2 | 0 2 | Radiator Вентилятор реле (2-й скорости) — J101 | |
| 3 | Radiator Fan Relay — J26 Реле для накачки охлаждающей жидкости после затвора двигателя -j151 | ||
| 4 | |||
| 5 | |||
| 5 | |||
| 6 | 6 | Air Supension Compressor Relay — J403 (AllRoad) | |
| 7 | Гидравлический насос реле — ABS с ESP — J105 | ||
| 8 | охлаждающей жидкости реле клапана — J541 | ||
| 14 | 14 | термический предохранитель для регулировки сиденья водителя — S44 (ALLROOD) | |
| 15 | Предохранитель разъема 12 В – S184 | ||
| 16 | Термопредохранитель передних стеклоподъемников – S37 | 17 | 17 | Термический предохранитель для задних силовых окон — S43 |
| 18 | |||
| 20 | предохранитель для блока управления вентиляторами радиатора — S142 | ||
| 21 | Регулировка сиденья водителя термо- предохранитель — S44 вентилятор радиатора — S42 (ALLROOD) | ||
| 22 | 22 | Air подвеска предохранитель — S110 (ALLROOD) | |
| 24 | Предохранитель для регулировки сиденья пассажира — S80 | ||
| 1 | 1 | ||
| 2 | Relay X Контактная разгрузка — J59 | ||
| 3 | Реле гидравлического насоса редуктора — J555 (Allroad) | ||
| 4 | Реле топливного насоса — J17 (petr ol Двигатели) Горелка для вилки — J52 (дизельные двигатели) | ||
| 5 | |||
| 5 | Wiper и Shiper Relay — J31 | ||
| 6 | |||
| Wiper и Shiper Relay — J31 | |||
| A | Установка рулевого управления – S275 | ||
| B | Предохранитель задней шторки – S100 | ||
| C | Предохранитель блока управления сигнализацией II – S181 (такси) Предохранитель C – S204 (полицейские машины) 9001 9001 (спецавтомобили) Предохранитель блока управления многофункционального рулевого колеса – S326 |
Главный блок предохранителей
Расположен на левом торце приборной панели под защитной крышкой.
Сверьте описание схемы с таблицей на обратной стороне обложки.
FUSE BOX Diagram A6 C5
Защищенные компоненты
| № | |||
| 1 | 5A Нагретые натолковые струи на фоне лобового стекла, нагретые наружные зеркала | ||
| 2 | 10A индикаторы направления | ||
| 3 | 5A чистящие средства фар, освещение | ||
| 4 | 5A лицензионные плиты Light | ||
| 5 | |||
| 5 | 10A 10A сиденья с подогревом, контроль лампы, каталитический конвертер, переключатель освещения, выключатели и внешние зеркальные двигатели, подушка безопасности лампа, указатель наружной температуры, кондиционер, постоянное отопление, задняя шторка, люк, навигационная система | ||
| 6 | 5A Центральный замок | ||
| 7 | |||
| 8 | 5A Телефон, Telematik | ||
| 9 | 10A 80069 | 10 | |
| 10 | 5A 5A 5A 500 | ||
| 11 | |||
| 11 | 10A 10A Cruise Control с автоматической коробкой передач Multitronic | ||
| 12 | 10A 40078 | ||
| 13 | 10A Стоп-сигналы | ||
| 14 | 10A Внутреннее освещение, лампы для чтения, сигнальные лампы, зеркало с солнцезащитным козырьком, память сидений | ||
| 15 | Часы, навигационная система | ||
| 16 | 5A электронная устойчивость управление | ||
| 17 | 10A навигационная система | ||
| 18 | 10A высокого луча | ||
| 19 | |||
| 19 | |||
| 20 | 10 / 15A Ближний свет правый, корректор фар правый | ||
| 21 | 21 | 10 / 15а Low Beam левый, контроль диапазона фар Левый | |
| 22 | 5A 40078 | ||
| 23 | 5A 5A 40078 | ||
| 24 | 25A WindScreen Wipers, стиральный насос, время промежутки времени | ||
| 25 | 30A вентиляционная система вентилятор, кондиционер, постоянное отопление, люк на | ||
| 26 | 30A нагретое заднее окно | ||
| 27 | 15A Нагрев руля | ||
| 28 | 20A 2000 | ||
| 9007 | 20 / 30A 9009 | ||
| 30 | 30 | 20A Tilting-Slift Sumberof Panel | |
| 31 | 15a Reversing Lights, круиз-контроль, автоматическая коробка передач, внутреннее зеркало заднего вида с автоматическим затемнением | ||
| 32 | 20A Эл Эктоневые системы управления двигателем | ||
| 33 | 15A прикуривателя AUDI AUTI A6 C5 | ||
| 34 | 15A электронные системы управления двигателем | ||
| 35 | 30A «PLUS» непрерывный источник питания на трейлер | ||
| 36 | 15A 70069, задние противотуманные фары | ||
| 37 | 20A | ||
| 38 | 20A | ||
| 39 | 15A Alarm | ||
| 25a Sound Signal | |||
| 41 | 25A 41 | System | |
| 42 | 25A 25A электронная стабилизация системы | ||
| 43 | 5A контакты S (радио) | ||
| 44 | 30A Обогрев сиденья |
Предохранитель № 33 на 15А отвечает за прикуриватель.
13-слот для монтажа коробки
диаграмма
обозначение
| 1 | ROOD RELAY — J4 (Telematics — USA) | ||
| 2 | RELAY CONTVERTORATION — J442 ANTER Блок управления противоугонной сигнализации – J85 (такси) Реле звукового сигнала – J408 (полицейские автомобили) Реле противоугонной сигнализации , переключение света – J549 (спецавтомобили) | ||
| 3 | Реле изоляции солнечной батареи -J309 Противоугонная система Блок управления сигнализацией – J85 (такси) Реле звукового сигнала – J408 (полицейские автомобили) Реле охранной сигнализации, дальний свет – J461 (спецавтомобили) | ||
| 4 | Блокировка стартера Реле -J207 Реле блокировки стартера и заднего хода свет — J226 | ||
| 5 | Реле магнитной муфты — J44 Реле дополнительного отопителя — J8 | ||
| 6 | Реле противотуманных фар — J5 Реле топливного насоса — J17 (TDI INES) | ||
| 7 | Многофункциональный блок управления рулем — J453 | ||
| 8 | |||
| 9 | Устройство управления лампами — J123 | ||
| 10 | Устройство управления — J123 | ||
| 11 | блока управления для складных зеркал — J351 | ||
| 12 | 12 | ||
| 13 | 13 | ||
| 14 | |||
| 14 | FUSE Taximeter — S182 Предохранитель E — S201 (полицейские автомобили) FUSE гидравлический насос реле — S279 (AllRoad) | ||
| 15 | 15 | 16 | |
| 16 | Брачный предохранитель — S57 (такси) B – S202 (Полицейские автомобили) | ||
| 17 | Предохранитель таксометра и охранной сигнализации – S183 (такси) Предохранитель C – S203 (полицейский c ars) Предохранитель рации – S253 (спецавтомобили) Предохранитель противотуманных фар – S28 (дневные ходовые огни – Канада) | ||
| 18 | Устанавливается где угодно Реле подключения генератора – J442 (спецавтомобили) Блок управления противоугонной сигнализации Unit II — J430 (такси) Легкий реле тревоги — J182 (полицейские транспортные средства) солнечная батарея изоляция реле -J309 (такси) |
монтажная коробка в поле Plenum
Назначение
| 1 | 1 | 1 | Реле насоса вторичного воздуха — J299 (RS6) | ||
| 1a | Реле вентилятора радиатора (Allroad) — J26 | ||||
| 1b | Реле циркуляции охлаждающей жидкости после выключения двигателя (Allroad) — J151 | ||||
| 2 | Реле насоса вторичного воздуха – J299 | ||||
| 3 | Реле питания Motronic – J271 (бензиновые двигатели) Дизельный непосредственный впрыск Реле – J322 (дизели) Реле, антиблокировочное устройство – J64 (АКПП – 01J) | ||||
| 4 | Топливо Реле насоса ОЖ – J445 Реле насоса ОЖ после выключения двигателя – J151 (RS6) | ||||
| 4A | не используется | ||||
| 5 | предохранитель для блока управления двигателем — S102 предохранитель для электроники двигателя (ALLROOD) — S282 | ||||
| 6 | не используется (LHD автомобили) V6 TDI, V8 TDI (двигатели ) Предохранитель свечи накаливания — S39 (4-цилиндровые двигатели) Предохранитель вентилятора радиатора — S94 (Allroad) | ||||
| 7 | Предохранитель свечи накаливания — S39 (двигатели: V6 TDI, V8 TDI) Предохранитель насоса вторичного воздуха — S130 (бензиновые двигатели) Предохранитель дополнительного отопителя — S62 (автомобили с правым рулем) Не используется (автомобили с правосторонним управлением) | ||||
| 8 | Предохранитель дополнительного отопителя — S62 (леворульные) Нет Б/у (левый руль) | ||||
| 9 9 0069 | Предохранитель свечей накаливания — S125 (двигатели V6 TDI, V8 TDI ) Предохранитель свечей накаливания — S39 (4-цилиндровые двигатели) Предохранитель вентилятора радиатора — S94 (Allroad) Предохранитель насоса охлаждающей жидкости — S78 (RS6) Не используется (справа) автомобили с ручным управлением) | ||||
| 10 | Предохранитель насоса охлаждения топлива – S262 Предохранитель -1- (15) – S199 (АКПП 01J) Предохранитель блока управления вентилятором радиатора – S142 (Allroad) Не используется (справа- автомобили с ручным управлением) |
Отдельные предохранители:
Автомобили с левым рулем:
— Дополнительный обогреватель — S62 (с 2001 г.
)
Автомобили с правосторонним управлением:
— Дополнительный обогреватель — S62 (с 2001 г.)
— Топливный насос предохранитель – S262
– Предохранитель -1- (15) – S199 (АКПП 01J)
– Предохранитель блока управления вентилятором радиатора – S142 (Allroad)
Дополнительная информация
Остались вопросы? Посмотрите это видео, чтобы было понятно, где именно находятся эти коробки и реле.
Часто задаваемые вопросы о магнитных контакторах
Что такое AC-3 и AC-1 в номиналах магнитных контакторов?
Это условия испытаний магнитных контакторов.
Они используются в качестве ориентира для соответствующей нагрузки и срока службы магнитного контактора. AC-3 — это режим нагрузки, предполагающий нагрузку двигателя, а AC-1 — режим нагрузки, предполагающий резистивную нагрузку (нагреватель).
Я хочу использовать реле за границей. Доступны ли реле общего назначения с номинальным напряжением катушки 380 или 400 В переменного тока?
Как и магнитный контактор (J7KC), вспомогательное реле (J7KCA) можно использовать при номинальном напряжении катушки до 550 В переменного тока или 220 В постоянного тока.
Какая разница между зеркальным контактом и связанным контактом?
Механизм зеркального контакта заключается в том, что при приварке а-контакт (главный контакт), b-контакт вспомогательной цепи находится в разомкнутом состоянии даже при отключении возбуждения катушки.Кроме того, на соединенном контакте, при сварке b-контакта, a-контакт связанного контакта находится в разомкнутом состоянии, даже если катушка возбуждена.
Магнитный контактор J7KC применим к зеркальному контакту, показанному в Приложении F стандарта IEC 60947-4-1. Вспомогательное реле J7KCA применимо к связанному контакту, показанному в Приложении L стандарта IEC 60947-5-1.
В какой степени J7KC может поддерживать строительство категорий безопасности от B до 4?
При последовательном соединении двух блоков J7KC может поддерживаться категория безопасности до 4.
Ниже приведен пример конфигурации в сочетании с релейным блоком безопасности G9SA-301.
Чем отличается силовое реле G7Z от магнитного контактора J7KC?
Приложение отличается. Контактор J7KC предназначен для двигателей с электрическим ресурсом более 1 000 000 операций. С другой стороны, G7Z предназначен для которого имеет низкочастотное переключение (предполагаемое срабатывание как редкий случай), имеющий электрический ресурс 80 000 операций.
Какой мощности двигателя на самом деле можно использовать J7KC?
При нагрузке AC-3 до 2,2 кВт (от 200 до 240 В переменного тока) в Японии, до 5,5 кВт (от 380 до 440 В переменного тока) в Европе. Если один блок размещается на указанном расстоянии (10 мм с обеих сторон) или более, а температура окружающей среды от -10 до 55°C (однако не превышает 35°C при средней температуре 24 часа в сутки), его можно использовать. без снижения номинала. Если устройства установлены рядом друг с другом, убедитесь, что рабочий ток не превышает 9 А.
Почему номинальная мощность при 200–240 В переменного тока, используемая при нагрузке AC-3 2,2 кВт (JIS), отличается от 3 кВт (IEC)?
Поскольку JIS следует тенденциям прошлого, а условия и критерии испытаний отличаются от IEC.
«АС-1″, »АС-3», «АС-4» и «АС-15». (также, как и для DC описаны аналогично).
Что каждый означает?
«AC-1/AC-3» описывается для главной цепи, «C-15» или «AC-12» — для вспомогательной цепи.Почему такое описание?
Указывает на типы рабочей нагрузки. Примеры каждого приложения следующие.
AC-1 (AC) коммутация резистивной нагрузки
AC-3 (AC) пуск короткозамкнутого двигателя, останов во время работы
AC-4 (AC) пуск, заглушение*1, толчковый режим*2 короткозамкнутого двигателя
DC-1 (DC) коммутация резистивной нагрузки
DC-3 (DC) пуск, включение*1, толчковый*2 параллельный двигатель 2
DC-5 (DC) пуск, включение*1, толчковый*2 серийный двигатель 2
* 1.Под заглушкой понимается быстрое изменение направления вращения двигателя, то есть подавление или реверсирование вращения.
*2. Толчковый режим означает повторный запуск двигателя с уменьшенной мощностью.
Вспомогательная цепь в основном используется для управления, а AC-15, AC-12 и т. д. показывают тип нагрузки, используемый для переключателя управления.
Мы хотим открыть/закрыть нагреватель вспомогательным контактом. Сообщите нам максимальное значение A, которое применимо.
В зависимости от индуктивной составляющей это показано следующим образом, что в зависимости от рабочего напряжения.Если индуктивная составляющая велика, ее необходимо уменьшить. Во всех случаях убедитесь, что ток при включении или отключении не превышает 30 А.
от 100 до 120 В переменного тока/от 200 до 240 В переменного тока: от 3 до 6 А
от 24 В постоянного тока: от 2 до 3 А
от 48 В постоянного тока: от 1 до 2 А
Что означают номинальные коды «A600» и «Q300» вспомогательного контакта?
Это номинал контактов, в котором буква указывает на номинальный ток, а цифра указывает на номинальное напряжение.
A600 означает номинал контактов переменного тока 10 A 600 В, а Q300 означает номинал контактов постоянного тока 2.


РТТ имеют два варианта установки: как самостоятельное реле на панели или совместно с магнитными пускателями типа ПМЕ и ПМА.
Для этого используются специальные щупы. Если критические значения температуры превышают заданные, реле типа РТК отключает установку от линии питания.
.. 0,17
.. 25,0


Катушка электромеханического устройства с одной
Около прямоугольника или в прямоугольнике допускается
Катушка электромеханического устройства с двумя
Линию между двумя дополнительными графическими полями
При отсутствии
Катушка электромеханического устройства, имеющего
Катушка электромеханического устройства, работающего
Допускается около
Катушка электромеханического устройства с двумя
Воспринимающая часть электротеплового реле
То есть, управляющий элемент располагается в непосредственной близости от оператора, а массивный коммутатор можно разместить в любом удобном месте.
Схема подключения через такой пост предполагает использование слаботочной управляющей проводки, что экономит средства на приобретение дорогостоящих силовых кабелей.
Имеется в виду значение, при превышении которого реле не отключается немедленно.


е. состояние блокировки)
C контакты последовательно с двигателем
При подключении в качестве пусковой кнопки в цепи управления магнитного пускателя какая пара клемм обычно используется?
с., 600 В, если он используется с двигателем на 120 В, скорее всего, будет рассчитан на:
Какова наиболее вероятная причина?
Электрические блокировки реверсивного пускателя обычно представляют собой _______ контакты
C контакты последовательно с двигателем
Какова наиболее вероятная причина?
С контакт (М)?
Выберите и настройте реле перегрузки в соответствии со значением тока, указанным на паспортной табличке двигателя.
, LTD. Тайваньские продукты, B2BChinaSources, B2BManufactures
